VA Hilfsrahmen/Aggregateträger: Gummi oder Kunststoff-Lager?
Moderatoren: Moderatoren, globale Moderatoren
Forumsregeln
Bitte vor dem Erstellen eines Postings die geltenden Forenregeln beachten. Moderatoren und der Site-Admin werden in regelmäßigen Kontrollen für die Einhaltung der Regeln sorgen.
http://forum.group44.de/viewtopic.php?f ... 1#p1242111
Bitte vor dem Erstellen eines Postings die geltenden Forenregeln beachten. Moderatoren und der Site-Admin werden in regelmäßigen Kontrollen für die Einhaltung der Regeln sorgen.
http://forum.group44.de/viewtopic.php?f ... 1#p1242111
- Fussel
- Entwicklungsleiter
- Beiträge: 1255
- Registriert: 08.11.2012, 15:53
- Fuhrpark: BMW 2002 tii (e114)
VW Käfer Cabrio (1302)
BMW 320/6 (e21)
Honda VFR400R (2x nc24)
Audi 100 Avant Quattro Sport (C3) - Wohnort: Nürnberg
VA Hilfsrahmen/Aggregateträger: Gummi oder Kunststoff-Lager?
Hallo zus@mmen,
nachdem ich bei mir nun die komplette VA und HA neu gelagert habe, aber immer noch ein schwammiges Fahrverhalten sowie ein undefinierbares Knacken zu spüren bzw hören ist, werde ich nun den Aggregateträger ausbauen: sandstrahlen, pulverbeschichten und mit neuen Lagern versehen.
Zu welchen Lagern würdet Ihr raten: die Gummilager mit Verstärkungsring oder zu Kunststofflager? Conny hat hier ja welche im Angebot.
Mein Sport steht auf H&R Federn und hat rundum B6 Bilstein-Dämpfer verbaut. An der Vorderachse ist der serienmäßige 26mm Stabi mit Gummidämpfern verbaut. Alle anderen Fahrwerkslager sind ebenfalls gegen Serienteile getauscht.
Ich bin auf Euren Rat gespannt.
Quattrogetriebene Grüße,
Fussel
Edit: Gibt es entsprechende Punkte am Vorderachsträger, um mit zusätzlichen Schweißpunkten oder Versteifungsblechen ein stabileres Fahrverhalten hinzubekommen? Wenn der ohnehin gestrahlt wird, wäre das ja genau der richtige Zeitpunkt... Gibt es unterschiedliche Vorderachsträger? Vor- und Facelift? Vom 4 und 5 Zylinder sind wohl alle gleich. Ich habe einen 100er NF2 Sport Quattro von 9/90. Mit der Suche habe ich leider nichts passendes gefunden
nachdem ich bei mir nun die komplette VA und HA neu gelagert habe, aber immer noch ein schwammiges Fahrverhalten sowie ein undefinierbares Knacken zu spüren bzw hören ist, werde ich nun den Aggregateträger ausbauen: sandstrahlen, pulverbeschichten und mit neuen Lagern versehen.
Zu welchen Lagern würdet Ihr raten: die Gummilager mit Verstärkungsring oder zu Kunststofflager? Conny hat hier ja welche im Angebot.
Mein Sport steht auf H&R Federn und hat rundum B6 Bilstein-Dämpfer verbaut. An der Vorderachse ist der serienmäßige 26mm Stabi mit Gummidämpfern verbaut. Alle anderen Fahrwerkslager sind ebenfalls gegen Serienteile getauscht.
Ich bin auf Euren Rat gespannt.
Quattrogetriebene Grüße,
Fussel
Edit: Gibt es entsprechende Punkte am Vorderachsträger, um mit zusätzlichen Schweißpunkten oder Versteifungsblechen ein stabileres Fahrverhalten hinzubekommen? Wenn der ohnehin gestrahlt wird, wäre das ja genau der richtige Zeitpunkt... Gibt es unterschiedliche Vorderachsträger? Vor- und Facelift? Vom 4 und 5 Zylinder sind wohl alle gleich. Ich habe einen 100er NF2 Sport Quattro von 9/90. Mit der Suche habe ich leider nichts passendes gefunden
-
Manu F.
- Entwicklungsleiter
- Beiträge: 2259
- Registriert: 17.01.2006, 13:48
- Fuhrpark: Audi Coupe Quattro Typ89 20V 7A, steht Teilzerlegt herum :-(
Audi 220V Limo, wartet auf Neuaufbau
Audi S6 C4 V8 Avant Schalter, Alltagsfahrzeug
Audi RS6 C5 Avant, Sommerfahrzeug - Wohnort: Beilngries
Re: VA Hilfsrahmen/Aggregateträger: Gummi oder Kunststoff-La
Servus,Fussel hat geschrieben:Hallo zus@mmen,
nachdem ich bei mir nun die komplette VA und HA neu gelagert habe, aber immer noch ein schwammiges Fahrverhalten sowie ein undefinierbares Knacken zu spüren bzw hören ist, werde ich nun den Aggregateträger ausbauen: sandstrahlen, pulverbeschichten und mit neuen Lagern versehen.
sorry aber irgendwie ergibt das nicht 100%ig Sinn
haste nun die komplette Va und HA neu gelagert oder nicht?
Gruß Manu
Lieber 5 fleißige als 6 faule
Audi Coupe Quattro Typ89 20V 7A, steht Teilzerlegt herum
Audi 220V Limo, wartet auf Neuaufbau
Audi S6 C4 V8 Avant Schalter, Alltagsfahrzeug
Audi RS6 C5 Avant, Sommerfahrzeug
Audi Coupe Quattro Typ89 20V 7A, steht Teilzerlegt herum
Audi 220V Limo, wartet auf Neuaufbau
Audi S6 C4 V8 Avant Schalter, Alltagsfahrzeug
Audi RS6 C5 Avant, Sommerfahrzeug
- Fussel
- Entwicklungsleiter
- Beiträge: 1255
- Registriert: 08.11.2012, 15:53
- Fuhrpark: BMW 2002 tii (e114)
VW Käfer Cabrio (1302)
BMW 320/6 (e21)
Honda VFR400R (2x nc24)
Audi 100 Avant Quattro Sport (C3) - Wohnort: Nürnberg
Re: VA Hilfsrahmen/Aggregateträger: Gummi oder Kunststoff-La
Servus Manu,
wieso?
Die Gummis an der Vorderachse und an der Hinterachse hab ich komplett neu gemacht.
Lediglich die vier Gummis am Aggregate-Träger sind geblieben, da ich den nicht ausgebaut habe. Der Vorderachsträger ist auch drin geblieben. Da war ohnehin schon genug Arbeit, für mal eben schnell die Bremse revidieren. Es gibt hierzu auch einen Beitrag im Forum...
Das Ding heißt bei Audi ja auch schließlich Aggregate-Träger und nicht wie bei allen anderen Herstellern Vorderachsträger
Quattrogetriebene Grüße, Fussel
wieso?
Lediglich die vier Gummis am Aggregate-Träger sind geblieben, da ich den nicht ausgebaut habe. Der Vorderachsträger ist auch drin geblieben. Da war ohnehin schon genug Arbeit, für mal eben schnell die Bremse revidieren. Es gibt hierzu auch einen Beitrag im Forum...
Das Ding heißt bei Audi ja auch schließlich Aggregate-Träger und nicht wie bei allen anderen Herstellern Vorderachsträger
Quattrogetriebene Grüße, Fussel
-
Manu F.
- Entwicklungsleiter
- Beiträge: 2259
- Registriert: 17.01.2006, 13:48
- Fuhrpark: Audi Coupe Quattro Typ89 20V 7A, steht Teilzerlegt herum :-(
Audi 220V Limo, wartet auf Neuaufbau
Audi S6 C4 V8 Avant Schalter, Alltagsfahrzeug
Audi RS6 C5 Avant, Sommerfahrzeug - Wohnort: Beilngries
Re: VA Hilfsrahmen/Aggregateträger: Gummi oder Kunststoff-La
bei ner kompletten Vorderachsüberholung gehört dieser natürlich auch dazu 
Mach die 4mal neu, wirkte bei mir wunder!
ich persönlich hab einfach 4 originalgetreue Gummilager ausm Zubehör genommen.
Gruß Manu
Mach die 4mal neu, wirkte bei mir wunder!
ich persönlich hab einfach 4 originalgetreue Gummilager ausm Zubehör genommen.
Gruß Manu
Lieber 5 fleißige als 6 faule
Audi Coupe Quattro Typ89 20V 7A, steht Teilzerlegt herum
Audi 220V Limo, wartet auf Neuaufbau
Audi S6 C4 V8 Avant Schalter, Alltagsfahrzeug
Audi RS6 C5 Avant, Sommerfahrzeug
Audi Coupe Quattro Typ89 20V 7A, steht Teilzerlegt herum
Audi 220V Limo, wartet auf Neuaufbau
Audi S6 C4 V8 Avant Schalter, Alltagsfahrzeug
Audi RS6 C5 Avant, Sommerfahrzeug
- Kai aus dem Keller
- Entwicklungsleiter
- Beiträge: 1073
- Registriert: 29.01.2008, 15:12
- Fuhrpark: 200 20V rot
200 20V schwarz
200 20V Avant silber
100 Sport Avant 10VTQ Motronic
V8 4,2 exclusiv blau
A8 D2 4,2 vfl
Typ 89 QP 2,3 Quattro
A6 C4 2,6 fronti LPG - Wohnort: Hamburg (Süd)
- Kontaktdaten:
Re: VA Hilfsrahmen/Aggregateträger: Gummi oder Kunststoff-La
Ich auch... Alternativ kann man bei AK Motorsport diese Lager aus PU bestellen. Gibts da in Street oder Track Hardness. Street Hardness sollte langen. Ist dann nur minimal straffer als Gummi, hat aber halt den Vorteil das PU ansich langlebiger ist.Manu F. hat geschrieben: ich persönlich hab einfach 4 originalgetreue Gummilager ausm Zubehör genommen.
Gruß Manu
Hab die PU Lager von AK Motorsport im Typ 89 Hilfsrahmen verbaut zum Testen. Bis jetzt bin ich sehr zufrieden...
Gruß,
Kai
-
Acki
- Entwicklungsleiter
- Beiträge: 1580
- Registriert: 07.05.2011, 13:50
- Fuhrpark: Audi 100 Avant S4 V8 quattro
Audi S6 Avant 4.2
Audi RS4 B5
Fiat Uno Turbo
Re: VA Hilfsrahmen/Aggregateträger: Gummi oder Kunststoff-La
Schwammig und knacken klingt eher nach Lenkgetriebe als Subframe Lager.
-
anstellwinkel
- Testfahrer

- Beiträge: 111
- Registriert: 11.07.2009, 22:41
- Wohnort: München
Re: VA Hilfsrahmen/Aggregateträger: Gummi oder Kunststoff-La
Fussel hat geschrieben:Hallo zus@mmen,
nachdem ich bei mir nun die komplette VA und HA neu gelagert habe, aber immer noch ein schwammiges Fahrverhalten sowie ein undefinierbares Knacken zu spüren bzw hören ist, werde ich nun den Aggregateträger ausbauen: sandstrahlen, pulverbeschichten und mit neuen Lagern versehen.
Zu welchen Lagern würdet Ihr raten: die Gummilager mit Verstärkungsring oder zu Kunststofflager? Conny hat hier ja welche im Angebot.
Mein Sport steht auf H&R Federn und hat rundum B6 Bilstein-Dämpfer verbaut. An der Vorderachse ist der serienmäßige 26mm Stabi mit Gummidämpfern verbaut. Alle anderen Fahrwerkslager sind ebenfalls gegen Serienteile getauscht.
Ich bin auf Euren Rat gespannt.
Quattrogetriebene Grüße,
Fussel
Edit: Gibt es entsprechende Punkte am Vorderachsträger, um mit zusätzlichen Schweißpunkten oder Versteifungsblechen ein stabileres Fahrverhalten hinzubekommen? Wenn der ohnehin gestrahlt wird, wäre das ja genau der richtige Zeitpunkt... Gibt es unterschiedliche Vorderachsträger? Vor- und Facelift? Vom 4 und 5 Zylinder sind wohl alle gleich. Ich habe einen 100er NF2 Sport Quattro von 9/90. Mit der Suche habe ich leider nichts passendes gefunden
Guten Abend zusammen,
grundsätzlich wird sich ein gut nachgeschweißter Aggregateträger immer positiv auf das Fahrverhalten auswirken. Ich habe das vor einigen Jahren auch gemacht und es war in Verbindung mit den Alulagern wirklich positiv spürbar. Ich habe damals den Schweissflansch rund herum (innen und aussen) vom ausgebauten Aggragteträger ca. alle 150mm eine 50mm Naht gezogen. Vor dem Schweissen habe ich mit einem Schleifer diese Schweisstellen blank gemacht, um eine saubere Schweissnaht zu gewährleisten. Später habe ich im eingebauten Zustand nochmals weitere Punkte hinzugefügt.
Durch das "Nachschweissen" des Aggregateträgers , profitiert der weiche Typ44 Vorderwagen bzgl. Steifigkeit. Der positive Einfluss wäre auch mit den serienmäßigen Gummilagern spürbar.
Allerdings würde ich es bei einem 200er der Altersgerecht mit H Kennzeichen bewegt wird, das Nachschweissen nicht machen. Ich würde nur die 4 Serienlager tauschen und damit fährt sich das Auto bestimmt bestens.
Grüße,
Matthias
-
Hauptsache VAG
- Testfahrer

- Beiträge: 187
- Registriert: 15.10.2008, 00:49
Re: VA Hilfsrahmen/Aggregateträger: Gummi oder Kunststoff-La
Ich hatte ewig lange ein ominöses Knacken beim Lenken, vor allem an Stand. Nach langer
Suche wurde ich fündig: Der Querträger hinter der vorderen Stoßstange ("Stoßstangenkern") war nicht locker, aber die Schrauben haben zum Teil nicht mehr 100%ig gehalten. Der Querträger ist nach meiner Erfahrung SEHR wichtig für die Stabilität des Vorderwagens des T44. Ich würde dort einmal nachsehen. Zur Not, falls die Gewinde nicht mehr die besten sind, durchbohren und mit ordentlichen Schrauben und selbstsichernden Muttern verschrauben.
Gruß
Dieter
Gruß
Dieter
- Fussel
- Entwicklungsleiter
- Beiträge: 1255
- Registriert: 08.11.2012, 15:53
- Fuhrpark: BMW 2002 tii (e114)
VW Käfer Cabrio (1302)
BMW 320/6 (e21)
Honda VFR400R (2x nc24)
Audi 100 Avant Quattro Sport (C3) - Wohnort: Nürnberg
Re: VA Hilfsrahmen/Aggregateträger: Gummi oder Kunststoff-La
Hallo Acki,Acki hat geschrieben:Schwammig und knacken klingt eher nach Lenkgetriebe als Subframe Lager.
da ist soweit alles in Ordnung bei mir.
Hallo Matthias,anstellwinkel hat geschrieben:grundsätzlich wird sich ein gut nachgeschweißter Aggregateträger immer positiv auf das Fahrverhalten auswirken. Ich habe das vor einigen Jahren auch gemacht und es war in Verbindung mit den Alulagern wirklich positiv spürbar. Ich habe damals den Schweissflansch rund herum (innen und aussen) vom ausgebauten Aggragteträger ca. alle 150mm eine 50mm Naht gezogen. Vor dem Schweissen habe ich mit einem Schleifer diese Schweisstellen blank gemacht, um eine saubere Schweissnaht zu gewährleisten. Später habe ich im eingebauten Zustand nochmals weitere Punkte hinzugefügt.
Durch das "Nachschweissen" des Aggregateträgers , profitiert der weiche Typ44 Vorderwagen bzgl. Steifigkeit. Der positive Einfluss wäre auch mit den serienmäßigen Gummilagern spürbar.
Allerdings würde ich es bei einem 200er der Altersgerecht mit H Kennzeichen bewegt wird, das Nachschweissen nicht machen. Ich würde nur die 4 Serienlager tauschen und damit fährt sich das Auto bestimmt bestens.
Danke für die Info! Leider lässt sich der Aggregate-Träger nicht so einfach nachschweißen, da Öl und/oder Wachs in den Falzen steckt. Auch Ausbrennen hat bislang nicht geholfen. Wie hast Du die Falz soweit sauber bekommen, um zu Schweißen?
Hallo Dieter,Hauptsache VAG hat geschrieben:Ich hatte ewig lange ein ominöses Knacken beim Lenken, vor allem an Stand. Nach langerSuche wurde ich fündig: Der Querträger hinter der vorderen Stoßstange ("Stoßstangenkern") war nicht locker, aber die Schrauben haben zum Teil nicht mehr 100%ig gehalten. Der Querträger ist nach meiner Erfahrung SEHR wichtig für die Stabilität des Vorderwagens des T44. Ich würde dort einmal nachsehen. Zur Not, falls die Gewinde nicht mehr die besten sind, durchbohren und mit ordentlichen Schrauben und selbstsichernden Muttern verschrauben.
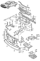
Danke für den Hinweis!! Das könnte bei mir auch gut sein, denn der Vorbesitzer hat einen Poller vorne rechts touchiert und da kam wohl das eine oder andere auch neu. Evtl wurde hier nicht sauber gearbeitet. Die Stoßstange vorne muss auch noch ab, denn die sitzt rechts am Kotflügel nicht sauber und hängt etwas runter. Welchen Querträger meinst Du? Der, der im Anhang markiert ist (hat keine Ersatzteilbezeichnung). Ich finde den Querträger im Teilekatalog leider nicht, und auch nicht dessen Befestigung...
Quattrogetriebene Grüße, Fussel
-
Hauptsache VAG
- Testfahrer

- Beiträge: 187
- Registriert: 15.10.2008, 00:49
Re: VA Hilfsrahmen/Aggregateträger: Gummi oder Kunststoff-La
Hallo Fussel!
Ja, genau der. Ist normalerweise Teil der Stoßstange und einzeln nicht erhältlich. Ist ca. auf Höhe der Scheinwerfer von vorne (unterhalb der Stoßstange bzw. unterhalb der Scheinwerfer) geschraubt - also die Schrauben, die du lösen mußt, wenn du die Stoßstange demontierst.
Gruß
Dieter
Ja, genau der. Ist normalerweise Teil der Stoßstange und einzeln nicht erhältlich. Ist ca. auf Höhe der Scheinwerfer von vorne (unterhalb der Stoßstange bzw. unterhalb der Scheinwerfer) geschraubt - also die Schrauben, die du lösen mußt, wenn du die Stoßstange demontierst.
Gruß
Dieter
-
Deleted User 5197
Re: VA Hilfsrahmen/Aggregateträger: Gummi oder Kunststoff-La
Diesen sog. Stoßfänger aus Alu gab es seinerzeit auch einzeln:Hauptsache VAG hat geschrieben:[...] und einzeln nicht erhältlich [...]
443807089A (für 100 10V und 200 10V)
Gruss,
Michael
-
Hauptsache VAG
- Testfahrer

- Beiträge: 187
- Registriert: 15.10.2008, 00:49
Re: VA Hilfsrahmen/Aggregateträger: Gummi oder Kunststoff-La
...habe ehrlich gesagt nicht nachgesehen. Mein Kommentar sollte nur der Erläuterung dienen, welches Teil gemeint ist.Michael turbo sport hat geschrieben:Diesen sog. Stoßfänger aus Alu gab es seinerzeit auch einzeln:
Gruß
Dieter
- Fussel
- Entwicklungsleiter
- Beiträge: 1255
- Registriert: 08.11.2012, 15:53
- Fuhrpark: BMW 2002 tii (e114)
VW Käfer Cabrio (1302)
BMW 320/6 (e21)
Honda VFR400R (2x nc24)
Audi 100 Avant Quattro Sport (C3) - Wohnort: Nürnberg
Re: VA Hilfsrahmen/Aggregateträger: Gummi oder Kunststoff-La
Hallo zus@mmen,
so seit zwei Wochen ist nun der mit neuen Standardlagern samt O-Ring bestückte Aggregate-Träger montiert inklusive der verstärkten Gertriebehalter. Nun ist wieder ein Stück frisches schwarzes Metall unter dem Auto, das einen guten Eindruck hinterläßt. Ebenfalls habe ich die härteren Stabi-Lager (Track Hardness) von AK Motorsport verbaut. Beim Querlenker sind weiterhin die Serien-Gummilager verbaut.
Anbei ein Photo vom selbstgebauten Motorhalter
Das hat soweit alles wunderbar funktioniert: ohne Maltretierung an den Kotflügeln und der alte Aggregateträger ließ sich wunderbar entfernen sowie der Neue Einbauen.
Seitdem ist auch das Knacken an der Vorderachse beim langsamen Einlenken verschwunden, das schwammige Fahrverhalten ist allerdings weiterhin vorhanden...
Leider habe ich keinen anderen Typ44 zum Vergleich. Ich bin lediglich einen Audi 200 gefahren, der sich nicht so schwammig anfühlte.
Gemacht wurden: alle Gummilager am Fahrwerk neu, Federn sind von H&R den Sport-Federn nachempfunden. Dämpfer rundum Bisltein B6. Räder sind noch die Serien 15" Zöller samt Bereifung verbaut: hier schwimmt die Felge im Reifen, was bei der Höhe des Reifenquerschnittes nicht verwunderlich ist. An sich ist das Fahrwerk sehr straff. Das merkt man beim Einwippen im Stand sowohl an der Vorder- als auch an der Hinterachse.
Danke an Dieter: ebenfalls kontrolliert habe ich die Befestigungen der Stoßstange vorne: hier ist der oben besagte Querträger bombenfest. Ich habe die Stoßstange auch einmal demontiert. Auch die beiden schwarzen Halter, die auf den Längsträgern montiert sind, bewegen sich keinen Millimeter.
Was meine ich mit schwammig: bei schnell gefahrenen S-Kurven hebt es nach dem Ausgang aus der ersten Kruve beim Einlenken in die zweite Kurve das Heck, sodass das komplette Fahrzeug instabil wird. DAS bin ich so bislang bei keinem sportlich abgestimmten Auto gewohnt.
Mir ist aufgefallen, dass der Vorderwagen nahezu keine Regung zeigt, wenn ich neben dem Avant an der A-Säule stehe und den Aufbau an der Reling quer zur Fahrtrichtung bewege. Tue ich das gleiche am Heck auf der Höhe der C-Säule, so setzt sich die Anregung durch den Avant fort und regt den Vorderwagen mit an. Das ganze habe ich auch am serienmäßigen Audi A4 Avant meiner Eltern ausprobiert: gleiches Verhalten. Leider fehlt mir bislang ein sportlich abgestimmter Kombi zum Testen.
Im Bereich der Dome und A-Säule habe ich keine Risse gefunden. Lediglich die Wagenheberaufnahme auf der Beifahrerseite bedarf einer weiteren Behandlung: hier hat der Rost bereits ein kleines Loch hinterlassen. Dies wird in den nächsten Wochen geschweißt werden, sobald der Karosseriebauer meiens Vertrauens Zeit dafür hat.
Habt Ihr noch eine Idee? Evtl hilft ja auch eine weichere Vorderachse (straffe Bilstein B6 gegen weichere Dämpfer tauschen), um das Heck besser auf Spur zu halten? Eine Verbesserung des Fahrwerks am Heck gibt es ja leider nicht. Zu Erwähnen bleibt noch, dass mein Avant über eine feste Anhängerkupplung verfügt und somit einen Träger zwischen den Längsträgern im heck zur Versteifung hat.
Gibt's jemand aus der Gegend um Nürnberg, um mal mit einem anderen Typ44 Avant Probe zu fahren?
Quattrogetriebene Grüße, Fussel
so seit zwei Wochen ist nun der mit neuen Standardlagern samt O-Ring bestückte Aggregate-Träger montiert inklusive der verstärkten Gertriebehalter. Nun ist wieder ein Stück frisches schwarzes Metall unter dem Auto, das einen guten Eindruck hinterläßt. Ebenfalls habe ich die härteren Stabi-Lager (Track Hardness) von AK Motorsport verbaut. Beim Querlenker sind weiterhin die Serien-Gummilager verbaut.
Anbei ein Photo vom selbstgebauten Motorhalter
Das hat soweit alles wunderbar funktioniert: ohne Maltretierung an den Kotflügeln und der alte Aggregateträger ließ sich wunderbar entfernen sowie der Neue Einbauen.
Seitdem ist auch das Knacken an der Vorderachse beim langsamen Einlenken verschwunden, das schwammige Fahrverhalten ist allerdings weiterhin vorhanden...
Leider habe ich keinen anderen Typ44 zum Vergleich. Ich bin lediglich einen Audi 200 gefahren, der sich nicht so schwammig anfühlte.
Gemacht wurden: alle Gummilager am Fahrwerk neu, Federn sind von H&R den Sport-Federn nachempfunden. Dämpfer rundum Bisltein B6. Räder sind noch die Serien 15" Zöller samt Bereifung verbaut: hier schwimmt die Felge im Reifen, was bei der Höhe des Reifenquerschnittes nicht verwunderlich ist. An sich ist das Fahrwerk sehr straff. Das merkt man beim Einwippen im Stand sowohl an der Vorder- als auch an der Hinterachse.
Danke an Dieter: ebenfalls kontrolliert habe ich die Befestigungen der Stoßstange vorne: hier ist der oben besagte Querträger bombenfest. Ich habe die Stoßstange auch einmal demontiert. Auch die beiden schwarzen Halter, die auf den Längsträgern montiert sind, bewegen sich keinen Millimeter.
Was meine ich mit schwammig: bei schnell gefahrenen S-Kurven hebt es nach dem Ausgang aus der ersten Kruve beim Einlenken in die zweite Kurve das Heck, sodass das komplette Fahrzeug instabil wird. DAS bin ich so bislang bei keinem sportlich abgestimmten Auto gewohnt.
Mir ist aufgefallen, dass der Vorderwagen nahezu keine Regung zeigt, wenn ich neben dem Avant an der A-Säule stehe und den Aufbau an der Reling quer zur Fahrtrichtung bewege. Tue ich das gleiche am Heck auf der Höhe der C-Säule, so setzt sich die Anregung durch den Avant fort und regt den Vorderwagen mit an. Das ganze habe ich auch am serienmäßigen Audi A4 Avant meiner Eltern ausprobiert: gleiches Verhalten. Leider fehlt mir bislang ein sportlich abgestimmter Kombi zum Testen.
Im Bereich der Dome und A-Säule habe ich keine Risse gefunden. Lediglich die Wagenheberaufnahme auf der Beifahrerseite bedarf einer weiteren Behandlung: hier hat der Rost bereits ein kleines Loch hinterlassen. Dies wird in den nächsten Wochen geschweißt werden, sobald der Karosseriebauer meiens Vertrauens Zeit dafür hat.
Habt Ihr noch eine Idee? Evtl hilft ja auch eine weichere Vorderachse (straffe Bilstein B6 gegen weichere Dämpfer tauschen), um das Heck besser auf Spur zu halten? Eine Verbesserung des Fahrwerks am Heck gibt es ja leider nicht. Zu Erwähnen bleibt noch, dass mein Avant über eine feste Anhängerkupplung verfügt und somit einen Träger zwischen den Längsträgern im heck zur Versteifung hat.
Gibt's jemand aus der Gegend um Nürnberg, um mal mit einem anderen Typ44 Avant Probe zu fahren?
Quattrogetriebene Grüße, Fussel
-
matze
- Projektleiter
- Beiträge: 3213
- Registriert: 06.11.2004, 16:48
- Wohnort: Dörndorf aber sehr oft auch Köln
Re: VA Hilfsrahmen/Aggregateträger: Gummi oder Kunststoff-La
Lenkgetriebe Befestigung mal prüfen und andere Reifen drauf... selbst Heidelberg Größe 15"Waren bei mir die toyo sehr schwammig
- Fussel
- Entwicklungsleiter
- Beiträge: 1255
- Registriert: 08.11.2012, 15:53
- Fuhrpark: BMW 2002 tii (e114)
VW Käfer Cabrio (1302)
BMW 320/6 (e21)
Honda VFR400R (2x nc24)
Audi 100 Avant Quattro Sport (C3) - Wohnort: Nürnberg
Re: VA Hilfsrahmen/Aggregateträger: Gummi oder Kunststoff-La
Hi Matze,
Das hab ich vergessen: das Lenkgetriebe sitzt fest und hat auch kein Spiel: wenn ich am Lenkrad drehe, verstellt sich sofort die Felge. Das hab ich in Stand geprüft. Im Radhaus bewegt sich auch nichts.
Quattrogetriebene Grüße, Fussel
Das hab ich vergessen: das Lenkgetriebe sitzt fest und hat auch kein Spiel: wenn ich am Lenkrad drehe, verstellt sich sofort die Felge. Das hab ich in Stand geprüft. Im Radhaus bewegt sich auch nichts.
Quattrogetriebene Grüße, Fussel
-
matze
- Projektleiter
- Beiträge: 3213
- Registriert: 06.11.2004, 16:48
- Wohnort: Dörndorf aber sehr oft auch Köln
Re: VA Hilfsrahmen/Aggregateträger: Gummi oder Kunststoff-La
Sag nur Risse an den Befestigungen
- Fussel
- Entwicklungsleiter
- Beiträge: 1255
- Registriert: 08.11.2012, 15:53
- Fuhrpark: BMW 2002 tii (e114)
VW Käfer Cabrio (1302)
BMW 320/6 (e21)
Honda VFR400R (2x nc24)
Audi 100 Avant Quattro Sport (C3) - Wohnort: Nürnberg
Re: VA Hilfsrahmen/Aggregateträger: Gummi oder Kunststoff-La
Risse hab ich keine gefunden an den Befestigungen. Ich hatte auch den Innenkotflügel demontiert. Auch an den Domen hab ich nichts gefunden. Ebenso an der Spritzwand zum Dom. Keine Risse sichtbar...