Motor startet nicht

Hier bitte Fragen, Tipps und Anregungen rund um den Audi 100 bzw. A6 des Typs C4 (ab MJ91) einstellen.
Auch passen hier gut Fragen zu den "neuen" V6-Motoren herein, die im Aud 100 C4 sowie Audi 80 B4 eingebaut wurden.

Bitte überprüfe vor dem Erstellen Deines Postings, ob die Frage bereits in der Audi 100 und A6 Selbst-Dokumentation, der audi100.selbst-doku.de beantwortet wurde. Für fast alle häufigeren Probleme gibt es dort bereits Lösungen.

Moderatoren: Moderatoren, globale Moderatoren

Forumsregeln
Bitte vor dem Erstellen eines Postings die geltenden Forenregeln beachten. Moderatoren und der Site-Admin werden in regelmäßigen Kontrollen für die Einhaltung der Regeln sorgen.

http://forum.group44.de/viewtopic.php?f ... 1#p1242111
Antworten
mluk

Motor startet nicht

Beitrag von mluk »

Hallo,

Mein Audi 100 C4 V8 AEC mit ABH Steuergerät startet nicht. Erst war es nur manchmal,
mitlerweile will er gar nicht mehr normal starten. Der Starter dreht aber er zündet nicht und die Einspritzdüsen lassen sich nicht ansteuern. Die Spannung fällt beim Starten nicht weit unter 11 Volt.
Getauscht habe ich:
-Hallgeber (G40)
-Geber für Motordrehzahl und OT- Geber (G4 und G28)
-Motorsteuergerät (gebraucht)
-Batterie
-Kühlwassertemperatursensor

Seltsam ist, dass er mit Starthilfegerät anspringt, zwar nicht gut, aber er springt an. Dann kann ich ihn auch sofort wieder ausschalten und er startet ohne Starthilfe. Am nächsten Tag ist schon wieder alles wie immer.

Ich wäre für alle Ideen dankbar
uwe64schwarz
Crashtest-Dummy
Crashtest-Dummy
Beiträge: 49
Registriert: 21.02.2017, 23:07
Fuhrpark: Audi Cabrio 2,6/Automatik EZ 93
Audi Coupe 2,6/Automatik EZ 93
Audi S6 Plus Einer von ca. noch 152

Re: Motor startet nicht

Beitrag von uwe64schwarz »

Hallo,
ist schwierig so ins Blaue rein. Auslesen mit VCDS wäre eine Möglichkeit.
Könnte ein Masseproblem sein, ein Wackelkontakt bspw. im Relais für die
Benzinzufuhr, Batterie....Hast du mal probiert, die Batterie ans Ladegerät zu hängen
und dann nach der Ladung zu starten?
Gruß Uwe
mluk

Re: Motor startet nicht

Beitrag von mluk »

Ach sorry, hab ich vergessen zu erwähnen, Fehler legt er keine ab und Benzin spritzt, wenn ich den Benzindruckregler ziehe und dann starte. Die Batterie wird immer vollgeladen. An ein Masseproblem habe ich auch schon gedacht, aber wo müsste die Spannung einbrechen um so ein Problem zu erzeugen? Ich habe auch schon alle Massepunkte gereinigt die ich gefunden habe.
Quattro-Jan
Entwickler
Beiträge: 869
Registriert: 13.09.2016, 14:31
Fuhrpark: 200 20V 3B Limousine nauticblau
100er (bald mc2)Quattro Sport Limousine panthero
S2 Coupe 3B titangrau
80erCoupe NGschalter Fronti Tornado unterfolie
Wohnort: nahe Karlsruhe

Re: Motor startet nicht

Beitrag von Quattro-Jan »

Wenn die Spannung wirklich nicht unter 11 Volt fällt dann bekommt der anlasser gar nicht genug Strom ich bezweifle stark dass die Batterie so gut ist dass sie 11volt während dem starten hält, denke auch ein massefehler schau einfach mal das masse Band an bzw flick dir provvisorisch irgendwas anderes rein um dem anlasser richtig masse zu geben und probiers nochmal, ansonsten wie schon gesagt wurde wäre relais denkbar oder auch Magnet Schalter hatte ich auch schon dass der manchmal nicht genug durchlässt
mluk

Re: Motor startet nicht

Beitrag von mluk »

Gute Idee, werd ich gleich mal probieren, aber braucht er eine bestimmte Drehzahl um die Zündspulen anzusteuern? Weil die zünden ja auch nicht am Massepunkt direkt.
mluk

Re: Motor startet nicht

Beitrag von mluk »

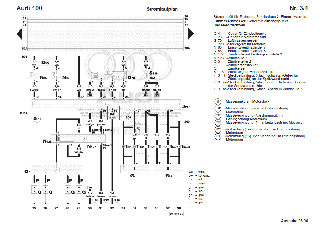
Ich habe heute das Masseband gebrückt und nochmal gemessen, das mit den 11 Volt stimmt schon. Aber der Geber für Zündzeitpunkt G4 und der Drehzahlsensor G28 bekommen keine Versorgungsspannung. Schon am Steuergerät (Schaltplan angehängt) ist annähernd nichts messbar. Wenn ich sie fremdversorge, also mit einem Netzteil springt er sofort an.
Aber ich kann mir kaum vorstellen, dass ich zwei defekte Steuergeräte habe.
Dateianhänge
Schaltplan
Schaltplan
kork
Entwickler
Beiträge: 514
Registriert: 05.06.2016, 11:39

Re: Motor startet nicht

Beitrag von kork »

Hat der C4 denn ein X-Relais wenn ja würde ich das mal tauschen.
mluk

Re: Motor startet nicht

Beitrag von mluk »

Aber sollte das nicht nur einen kontakt am ZAS entlasten und Verbraucher beim Starten wegschalten? Aber damit habe ich doch gar keine Probleme?
mluk

Re: Motor startet nicht

Beitrag von mluk »

Tauschen hat nichts bewirkt
kork
Entwickler
Beiträge: 514
Registriert: 05.06.2016, 11:39

Re: Motor startet nicht

Beitrag von kork »

Bau testweise nochmal eine andere Batterie ein. Vielleicht hat die neue eine Macke. Ich hatte das Problem mal bei einem BMW E36 der Anlasser hatte den Motor zügig durchgedreht rs war aber kein Zündfunke da, mit einer neuen Batterie ist er dann angesprungen u d da deine Kiste mit Starthilfe läuft wäre das eine Möglichkeit.
Gruß
Quattro-Jan
Entwickler
Beiträge: 869
Registriert: 13.09.2016, 14:31
Fuhrpark: 200 20V 3B Limousine nauticblau
100er (bald mc2)Quattro Sport Limousine panthero
S2 Coupe 3B titangrau
80erCoupe NGschalter Fronti Tornado unterfolie
Wohnort: nahe Karlsruhe

Re: Motor startet nicht

Beitrag von Quattro-Jan »

Also bei meinem 200er war es der anlasser der zu langsam gedreht hat und deshalb wurde ebenfalls die zündspule nicht angesteuert hab ewig gesucht aber wenn du sagst er läuft wenn du die Sensoren mit Spannung versorgst, hast mal die Kabel geprüft
mluk

Re: Motor startet nicht

Beitrag von mluk »

Ich habe vorhin den wieder den alten G4 angeschlossen, dann ist er angesprungen.
Jetzt bin ich mir gar nicht mehr sicher, ob die Induktivsensoren eine Versorgungsspannung brauchen?! Ich hoffe, dass er morgen auch noch läuft. Ich habe mir beim Umbau noch den Stift fürs Zündsignal angesehen und mich wundert, dass er nur ein paar Millimeter in das Sensorloch reinsteht. Ist das normal?
Quattro-Jan
Entwickler
Beiträge: 869
Registriert: 13.09.2016, 14:31
Fuhrpark: 200 20V 3B Limousine nauticblau
100er (bald mc2)Quattro Sport Limousine panthero
S2 Coupe 3B titangrau
80erCoupe NGschalter Fronti Tornado unterfolie
Wohnort: nahe Karlsruhe

Re: Motor startet nicht

Beitrag von Quattro-Jan »

Was heißt bei dir ein paar Millimeter :D? Also 2*cm ist er nicht wie lang er jetzt wirklich war weiß ich Grad nichtmehr
mluk

Re: Motor startet nicht

Beitrag von mluk »

so weit
Dateianhänge
IMAG0979.jpg
mluk

Re: Motor startet nicht

Beitrag von mluk »

Das blaue war der neue Zündzeitpunktgeber. Total unregelmäßiges Signal.
Dateianhänge
IMAG0978.jpg
Quattro-Jan
Entwickler
Beiträge: 869
Registriert: 13.09.2016, 14:31
Fuhrpark: 200 20V 3B Limousine nauticblau
100er (bald mc2)Quattro Sport Limousine panthero
S2 Coupe 3B titangrau
80erCoupe NGschalter Fronti Tornado unterfolie
Wohnort: nahe Karlsruhe

Re: Motor startet nicht

Beitrag von Quattro-Jan »

Das sieht schon komisch aus, beides.
mluk

Re: Motor startet nicht

Beitrag von mluk »

Hallo,
Ich dachte mir ich seh mir die ganze Sache mit dem Stift mal genauer an und hab das Getriebe abgenommen.
Siehe da, Kupplung schleift im Getriebe, und in der Mitte ums Pilotlager am Schwung :cry:
Kann es sein, dass der Schwung nicht in mein Auto gehört? Hatten AEC und ABH Verschiedene Schwungräder? Oder hat man da beim Umbau ein komplett fremdes Schwungrad reingepfuscht?
IMAG1003.jpg
IMAG1001.jpg
Ums Pilotlager haben sich sogar Risse auf beiden Seiten gebildet!
Also schätze ich, dass es auch hinten angestanden ist.
IMAG1004.jpg
IMAG1007.jpg
Irgend Jemand eine Idee, was da schiefgelaufen ist?
Quattro-Jan
Entwickler
Beiträge: 869
Registriert: 13.09.2016, 14:31
Fuhrpark: 200 20V 3B Limousine nauticblau
100er (bald mc2)Quattro Sport Limousine panthero
S2 Coupe 3B titangrau
80erCoupe NGschalter Fronti Tornado unterfolie
Wohnort: nahe Karlsruhe

Re: Motor startet nicht

Beitrag von Quattro-Jan »

Das weiß ich nicht aber hast du keins zum vergleichen dA?
mluk

Re: Motor startet nicht

Beitrag von mluk »

Leider nicht. Und ich finde auch kein bezahlbares.
mluk

Re: Motor startet nicht

Beitrag von mluk »

Hat zufällig jemand eins liegen und könnte mir was rausmessen?
Benutzeravatar
kpt.-Como
Abteilungsleiter
Beiträge: 7170
Registriert: 10.11.2004, 13:33
Fuhrpark: S 60 R 2,5T 20V Black Pearl
Wohnort: BS

Re: Motor startet nicht

Beitrag von kpt.-Como »

Hast PN
Grüße
Klaus

KlimaKliniK*
Ich habe nun meine Dienste aufgrund mangelnder Nachfrage, eingestellt. 26.09.24
Vielen lieben dank für das, über die langen Jahre, entgegengebrachte Vertrauen.
Besonderer Gruß an alle die ich zufrieden stellen konnte.
Antworten