Hallo allerseits,
so langsam fange ich an den S4 AAN wieder zusammenzustecken.....
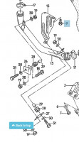
Hat zufällig jemand hier Detailfotos von den beiden Befestigungen der Ladeluftführung greifbar? Dummerweise habe ich vergessen, an der Stelle bei der Demontage Bilder zu machen.
Nur anhand der Zeichnung finde ich die Teile gerade nicht zusammen....
Dank und Gruß,
Stefan
Befestigung Ladeluftführung AAN
Moderatoren: Moderatoren, globale Moderatoren
Forumsregeln
Bitte vor dem Erstellen eines Postings die geltenden Forenregeln beachten. Moderatoren und der Site-Admin werden in regelmäßigen Kontrollen für die Einhaltung der Regeln sorgen.
http://forum.group44.de/viewtopic.php?f ... 1#p1242111
Bitte vor dem Erstellen eines Postings die geltenden Forenregeln beachten. Moderatoren und der Site-Admin werden in regelmäßigen Kontrollen für die Einhaltung der Regeln sorgen.
http://forum.group44.de/viewtopic.php?f ... 1#p1242111
Re: Befestigung Ladeluftführung AAN
hat sich erledigt.
