Hallo,
seit gewisser Zeit höre ich störende Geräusche während der Fahrt (bei kaltem Motor,die erste ca. 15 Fahrminuten,dann ist es weg).Die klappernde Geräusche kommen aus dem Bereich Katalysator -Auspuff.Ich habe geprüft ob Auspuff richtig aufgehängt ist .Es war ok.Auch keine lose Schelle oder frei hängendes Blech.Ist das möglich,dass Kat.defekt ist und was könnte man da machen?
Danke im voraus für die Hilfe.
P.S.Autodaten:Audi 100, 2,3 L Baujahr 1991, 224 000 km
Irgendwo klappert und klopft. Hilfe!
Moderatoren: Moderatoren, globale Moderatoren
Forumsregeln
Bitte vor dem Erstellen eines Postings die geltenden Forenregeln beachten. Moderatoren und der Site-Admin werden in regelmäßigen Kontrollen für die Einhaltung der Regeln sorgen.
http://forum.group44.de/viewtopic.php?f ... 1#p1242111
Bitte vor dem Erstellen eines Postings die geltenden Forenregeln beachten. Moderatoren und der Site-Admin werden in regelmäßigen Kontrollen für die Einhaltung der Regeln sorgen.
http://forum.group44.de/viewtopic.php?f ... 1#p1242111
Hallo Adrian!
Beschreibe das Geräusch doch mal etwas genauer.
Vielleicht ein rhythmisches Tackern/Klingeln,das drehzahlabhängig ist?
Falls ja,würde ich auf einen gerissenen Auspuffkrümmer tippen,die vorhandenen Risse schließen sich,wenn der Krümmer heiß wird,das würde auch das Verschwinden des Geräusches ab einer gewissen Zeit erklären.
Gruß
Andre H.
Beschreibe das Geräusch doch mal etwas genauer.
Vielleicht ein rhythmisches Tackern/Klingeln,das drehzahlabhängig ist?
Falls ja,würde ich auf einen gerissenen Auspuffkrümmer tippen,die vorhandenen Risse schließen sich,wenn der Krümmer heiß wird,das würde auch das Verschwinden des Geräusches ab einer gewissen Zeit erklären.
Gruß
Andre H.
MfG Andre H.
-----------------------------
-Audi 200 Turbo NFL MC1 Automat
-Audi A4 Avant 2.7 TDI
-----------------------------
-Audi 200 Turbo NFL MC1 Automat
-Audi A4 Avant 2.7 TDI
-
Adrian
Hallo Andre,
erst mal vielen Dank für so schnelle Reaktion.
Die Geräusche sind wie Klopfen und metalisch Klappern eher nicht Klingen.Der Auspuff wurde auf Dichtkeit geprüft aber ich habe seit sieben Jahren bei ihm nichts gemacht b.zw.machen müssen.Ich wollte schon bei laufendem Motor schauen woher die Geräusche kommen aber die waren im Leerlauf immer weg.Die nehmen zu bei höherem Motordrehzahl aber die laufen nicht rhytmisch pararel wie der Motor. Die verschwinden auch bei kaltem Motor ab und zu.Ich habe bloß gehört,dass bei dieser Motorleistung möglich wäre dass Katalysator-Innereien sich gelöst haben und jetzt klappern sie.Könnte das stimmen und wäre das gefährlich für den Motor?
Gruß Adrian
erst mal vielen Dank für so schnelle Reaktion.
Die Geräusche sind wie Klopfen und metalisch Klappern eher nicht Klingen.Der Auspuff wurde auf Dichtkeit geprüft aber ich habe seit sieben Jahren bei ihm nichts gemacht b.zw.machen müssen.Ich wollte schon bei laufendem Motor schauen woher die Geräusche kommen aber die waren im Leerlauf immer weg.Die nehmen zu bei höherem Motordrehzahl aber die laufen nicht rhytmisch pararel wie der Motor. Die verschwinden auch bei kaltem Motor ab und zu.Ich habe bloß gehört,dass bei dieser Motorleistung möglich wäre dass Katalysator-Innereien sich gelöst haben und jetzt klappern sie.Könnte das stimmen und wäre das gefährlich für den Motor?
Gruß Adrian
-
gabi
- Testfahrer

- Beiträge: 164
- Registriert: 15.03.2007, 23:21
- Fuhrpark: .
Audi 100 C3 2.3E NF 136PS MJ 1990
Re: Irgendwo klappert und klopft. Hilfe!
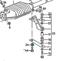
Hallo,
auch eine Frage zur richtigen Aufhängung.
#24, 893253145, eoE
#24 scheint mir eine Hülse mit Bund (gewesen) zu sein.
Ist die Hülse so lang, daß die beiden Haltebleche frei beweglich sind?
.
auch eine Frage zur richtigen Aufhängung.
#24, 893253145, eoE
#24 scheint mir eine Hülse mit Bund (gewesen) zu sein.
Ist die Hülse so lang, daß die beiden Haltebleche frei beweglich sind?
.