welche HA-Stoßdämpfer Sportfahrwerk quattro?
Moderatoren: Moderatoren, globale Moderatoren
Forumsregeln
Bitte vor dem Erstellen eines Postings die geltenden Forenregeln beachten. Moderatoren und der Site-Admin werden in regelmäßigen Kontrollen für die Einhaltung der Regeln sorgen.
http://forum.group44.de/viewtopic.php?f ... 1#p1242111
Bitte vor dem Erstellen eines Postings die geltenden Forenregeln beachten. Moderatoren und der Site-Admin werden in regelmäßigen Kontrollen für die Einhaltung der Regeln sorgen.
http://forum.group44.de/viewtopic.php?f ... 1#p1242111
-
QuattroChris
welche HA-Stoßdämpfer Sportfahrwerk quattro?
vorab: ja, ich hab gesucht, aber kein aktuelles Thema gefunden ... Bilstein B6 wurde beschrieben, aber ...
Mein Auto:
100er quattro avant mit Tieferlegung - aber welche Stodämpfer-Ausführung? - ich vermute Stoßdämpfer in Sport-Ausführung weil:
derzeit eingebaut: ölende "Sachs Original - Gasdruck Sport" steht drauf (Farbe: rot) - Gewinde 10mm - abgestuft, so wie es beim Quattro halt sein soll
von Unterkante Teller bis Auge sind es ca. 185 mm ??? (andere Dämpfer aus ner Limo quattro zum Vergleich sind 2cm länger - haben auch die Abstufung an der Kolbenstange oben und das glatte Stück unterhalb des Gewindes)
Ich habe meine Teilehändler durch und bin mir unsicher, was ich kaufen soll - bezahlbar sind sie alle - der Preis ist also nicht das problem!
1. KYB - kayaba - 341206 Stoßdämpfer
--- sind die billig und mega hart bzw. sonstwie unsicher im Fahrverhalten? bzgl. Härte gabs mal ein forumsthema aus 2008 - aber sonst hat sich noch niemand beschwert, oder? ...
- M10 oder M12 Durchmesser?
2. Bilstein B8 ... sind die dann auch sehr hart??
- die haben M12 Durchmesser - welche Teile muss ich mir dazu besorgen?
- für den 44Q scheint die 12mm Ausführung nicht hinterlegt zu sein!! ...
- die Dämpfer sind auch passend für den / baugleich zum A6 ??
- beim Zubehörhändler nach A6 Teilen fragen? - aus wieviel Teilen besteht das dann?
3. angeblich gibts auch Koni gelb Öldruck aber die will ich dann doch nicht auch wenn sie wirklihc pasen sollten (nicht-quattro sind auch mit hinterlegt)
4. TA-TECHNIX Stossdämpferpaket für die Hinterachse - Gasdruck
- gibts in der Bucht (Nr. 390573076265 ) - definitiv nur für Sportfahrwerk ausgewiesen
- aber bei dem Preis?? hmm - hab keine Lust auf Experimente und gleich wieder rausschmeissen müssen
danke schonmal im voraus
Gruß . Chris
Mein Auto:
100er quattro avant mit Tieferlegung - aber welche Stodämpfer-Ausführung? - ich vermute Stoßdämpfer in Sport-Ausführung weil:
derzeit eingebaut: ölende "Sachs Original - Gasdruck Sport" steht drauf (Farbe: rot) - Gewinde 10mm - abgestuft, so wie es beim Quattro halt sein soll
von Unterkante Teller bis Auge sind es ca. 185 mm ??? (andere Dämpfer aus ner Limo quattro zum Vergleich sind 2cm länger - haben auch die Abstufung an der Kolbenstange oben und das glatte Stück unterhalb des Gewindes)
Ich habe meine Teilehändler durch und bin mir unsicher, was ich kaufen soll - bezahlbar sind sie alle - der Preis ist also nicht das problem!
1. KYB - kayaba - 341206 Stoßdämpfer
--- sind die billig und mega hart bzw. sonstwie unsicher im Fahrverhalten? bzgl. Härte gabs mal ein forumsthema aus 2008 - aber sonst hat sich noch niemand beschwert, oder? ...
- M10 oder M12 Durchmesser?
2. Bilstein B8 ... sind die dann auch sehr hart??
- die haben M12 Durchmesser - welche Teile muss ich mir dazu besorgen?
- für den 44Q scheint die 12mm Ausführung nicht hinterlegt zu sein!! ...
- die Dämpfer sind auch passend für den / baugleich zum A6 ??
- beim Zubehörhändler nach A6 Teilen fragen? - aus wieviel Teilen besteht das dann?
3. angeblich gibts auch Koni gelb Öldruck aber die will ich dann doch nicht auch wenn sie wirklihc pasen sollten (nicht-quattro sind auch mit hinterlegt)
4. TA-TECHNIX Stossdämpferpaket für die Hinterachse - Gasdruck
- gibts in der Bucht (Nr. 390573076265 ) - definitiv nur für Sportfahrwerk ausgewiesen
- aber bei dem Preis?? hmm - hab keine Lust auf Experimente und gleich wieder rausschmeissen müssen
danke schonmal im voraus
Gruß . Chris
-
mr.polisch
- Entwicklungsleiter
- Beiträge: 1832
- Registriert: 30.01.2005, 13:55
- Wohnort: an einen neuen ort...zuhause
Re: welche HA-Stoßdämpfer Sportfahrwerk quattro?
kabaya gekurzt....top nicht so zu hart wie meine konis vorher.....kosten nutzen
top...
top...
- theevan
- Testfahrer

- Beiträge: 134
- Registriert: 11.11.2012, 22:45
- Fuhrpark: Audi 100 Bj.89 2.3E Quattro
Audi S3 8P Bj.08
VW Polo 6N Bj.94 Gti Umbau
welche HA-Stoßdämpfer Sportfahrwerk quattro?
Sachs Advantage für den Audi V8... Gibt es noch wie Sand am Meer und ist der gleiche wie bei den 100ern mit Serien Sportfahrwerk!
Hab ich drin, passt bestens!
Gruß
Hab ich drin, passt bestens!
Gruß
-
QuattroChris
Re: welche HA-Stoßdämpfer Sportfahrwerk quattro?
OK, ich hab jetzt die Kayaba hier ... die haben auch 12mm Gewinde -
- ich hab bei meinem Teilehändler passend zu der Kayaba-Nr. den A6 raussuchen lassen und für den dann die Teile gesucht...
...also von welchem Audi A6 muss ich all die restlichen Teile (obere Gummilager, Anschlagpuffer, irgendwelche Zwischenhülse? Scheibe?) verwenden???
- mein Teilehändler findet immer nur Domlager / Stützlager mit 10mm durchmesser - z.B. FEBI 09522 ???
Baujahr? A6 mit Normalfahrwerk? oder S6? 4,2liter-motor?
Danke,
Gruß . Chris
- ich hab bei meinem Teilehändler passend zu der Kayaba-Nr. den A6 raussuchen lassen und für den dann die Teile gesucht...
...also von welchem Audi A6 muss ich all die restlichen Teile (obere Gummilager, Anschlagpuffer, irgendwelche Zwischenhülse? Scheibe?) verwenden???
- mein Teilehändler findet immer nur Domlager / Stützlager mit 10mm durchmesser - z.B. FEBI 09522 ???
Baujahr? A6 mit Normalfahrwerk? oder S6? 4,2liter-motor?
Danke,
Gruß . Chris
-
mr.polisch
- Entwicklungsleiter
- Beiträge: 1832
- Registriert: 30.01.2005, 13:55
- Wohnort: an einen neuen ort...zuhause
Re: welche HA-Stoßdämpfer Sportfahrwerk quattro?
kabaya sind nicht mega hart.....sind top in preis leistung und gekürzt
fahre komplett fahrwerk im 20 v
und hab vor 3 jahren das koni rausgebaut weil das wirklich zu hart ist
fahre komplett fahrwerk im 20 v
und hab vor 3 jahren das koni rausgebaut weil das wirklich zu hart ist
-
QuattroChris
Re: welche HA-Stoßdämpfer Sportfahrwerk quattro?
Super danke,
aber ganz wichtig!!! - ich brauche noch Infos für die mitzuverwenden Teile ...
wegen des 12er Durchmessers usw.
Danke,
Gruß . Chris
aber ganz wichtig!!! - ich brauche noch Infos für die mitzuverwenden Teile ...
wegen des 12er Durchmessers usw.
Danke,
Gruß . Chris
-
QuattroChris
Re: welche HA-Stoßdämpfer Sportfahrwerk quattro?
ok, ich glaube, ich bin etwas schlauer - beim 200er 20V (3B) gibt es nur das 12er Gewinde
also komplett umbauen inkl. Blech mit den drei Schraublöchern - z.B. diesen Satz hier nehmen: in der Bucht - Nr. 201145655526 ???
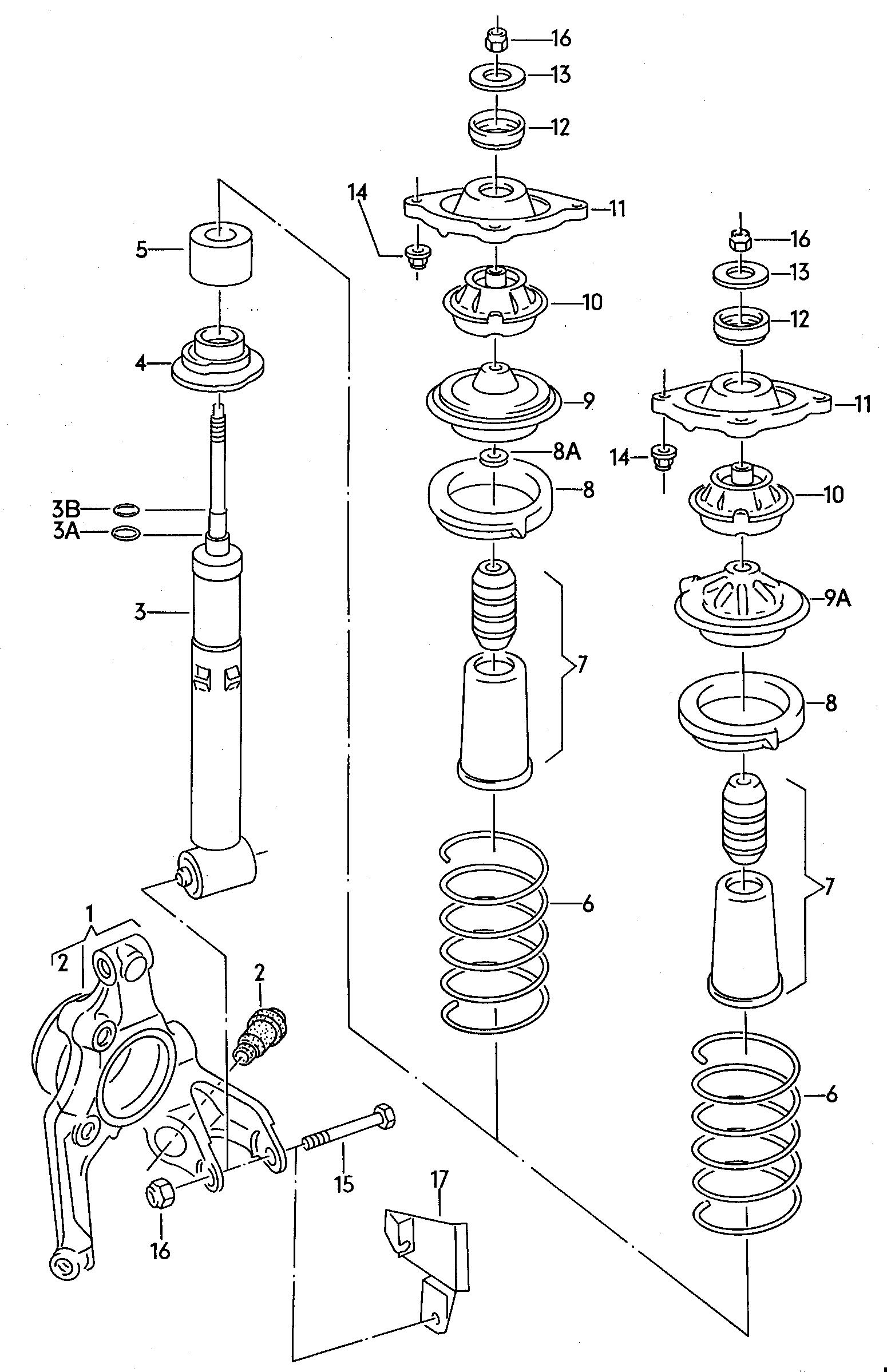
und auf keinen Fall das alte verwenden, wie es auch auf dem Bild des V8 aussieht??
... oder doch, denn angeblich soll der V8 genau das Lager haben, was ich brauche? (12mm Gewinde???)
und für den V8 gibt es irgendwie alle Möglichkeiten, wobei das linke Federbein auf dem 2. Bild (sieht aus wie bei meinem 100er) wahrscheinlich immer das 10er Gewinde ist ??
Gruß . Chris
also komplett umbauen inkl. Blech mit den drei Schraublöchern - z.B. diesen Satz hier nehmen: in der Bucht - Nr. 201145655526 ???
und auf keinen Fall das alte verwenden, wie es auch auf dem Bild des V8 aussieht??
... oder doch, denn angeblich soll der V8 genau das Lager haben, was ich brauche? (12mm Gewinde???)
und für den V8 gibt es irgendwie alle Möglichkeiten, wobei das linke Federbein auf dem 2. Bild (sieht aus wie bei meinem 100er) wahrscheinlich immer das 10er Gewinde ist ??
Gruß . Chris
Re: welche HA-Stoßdämpfer Sportfahrwerk quattro?
Also ich weiß dass die V8 Federbeine hinten komplett und problemlos in meinen VFL Quattro passen.
Wobei aber oben über der Feder alles anders ist, nicht nur der Gewindedurchmesser.
Aber man kann auch die V8 Teile nehmen.
Servus
Rudi
Wobei aber oben über der Feder alles anders ist, nicht nur der Gewindedurchmesser.
Aber man kann auch die V8 Teile nehmen.
Servus
Rudi
Wartung statt Schutzbrief!
Audi 100 Avant Turbo Quattro (1986)
Im Sommer ist es meist zu heiß um das zu tun wozu es im Winter zu kalt ist
Audi 100 Avant Turbo Quattro (1986)
Im Sommer ist es meist zu heiß um das zu tun wozu es im Winter zu kalt ist
-
QuattroChris
Re: welche HA-Stoßdämpfer Sportfahrwerk quattro?
... aber dann muss das die mittlere Ansicht sein vom V8 sein ...
... und die 200quattro 20V Teile müssten genau dieselben sein ... kann das jemand bestätigen?
Danke,
Gruß . Chris
... und die 200quattro 20V Teile müssten genau dieselben sein ... kann das jemand bestätigen?
Danke,
Gruß . Chris
- Poldy
- Entwickler
- Beiträge: 572
- Registriert: 18.06.2011, 12:13
- Fuhrpark: Zu viele Autos, zu viele Fahrräder, zu viele Motorräder und viel zu wenig Platz
- Wohnort: 23795 Bad Segeberg
Re: welche HA-Stoßdämpfer Sportfahrwerk quattro?
Moin,
Der Linke ist 10V
Der Mittlere 20V,V8,(S6,S4 altes Model)
Der Rechte ist für Fahrzeuge mit Niveauregulierung
10mm und 12mm Stoßdämpfer sind nur mit den passenden Federbeintellern und Lagern kompatibel und nicht durcheinander. Du musst also immer die ganze Einheit tauschen wenn du die Gewindegröße änderst. Die Aufnahmen an der Karosserie sind soweit gleich.
Gruß
Poldy
Der Linke ist 10V
Der Mittlere 20V,V8,(S6,S4 altes Model)
Der Rechte ist für Fahrzeuge mit Niveauregulierung
10mm und 12mm Stoßdämpfer sind nur mit den passenden Federbeintellern und Lagern kompatibel und nicht durcheinander. Du musst also immer die ganze Einheit tauschen wenn du die Gewindegröße änderst. Die Aufnahmen an der Karosserie sind soweit gleich.
Gruß
Poldy
Mein Fuhrpark………
Audi 200 Quattro 20V Avant in Nauticblau-Perleffekt-Metallic Bj 90
Audi 200 Quattro 10V Avant Lago-Metallic Motronic, RS2 Step Bj 88
Audi 100 C4 Limo AAR Motronic, Altagsautos (im Wiederaufbau)
Audi S6 C4 Quattro Avant 20V Turbo Tornado Rot Sorgenkind Bj 95
...
Audi 200 Quattro 20V Avant in Nauticblau-Perleffekt-Metallic Bj 90
Audi 200 Quattro 10V Avant Lago-Metallic Motronic, RS2 Step Bj 88
Audi 100 C4 Limo AAR Motronic, Altagsautos (im Wiederaufbau)
Audi S6 C4 Quattro Avant 20V Turbo Tornado Rot Sorgenkind Bj 95
...
-
QuattroChris
Re: welche HA-Stoßdämpfer Sportfahrwerk quattro?
So,
ich hab heute die kompletten oberen Teile bekommen (in der Bucht in Super-Zustand für ca. 30 bekommen)
sieht gut aus - passt dann ja.
Fehlen nur noch die Anschlagpuffer - hab ich neu bestellt (irgendwie online für ganz kleines Geld gefunden, hoffe, das passt, aber muß noch warten) - hoffe, die Hülsen sind mit dabei, aber vielleicht kann ich meine alten vom 100quattro 10V Sport nehmen ... - war leider kein Bild da
- ich brauch noch die kleinen Scheiben, die als Erstes auf den Dämpfer geschoben werden - welchen Außendurchmesser haben die ? relativ egal? - ich denk, man kann ne normale U-scheibe nehmen?
Gruß . Chris
ich hab heute die kompletten oberen Teile bekommen (in der Bucht in Super-Zustand für ca. 30 bekommen)
sieht gut aus - passt dann ja.
Fehlen nur noch die Anschlagpuffer - hab ich neu bestellt (irgendwie online für ganz kleines Geld gefunden, hoffe, das passt, aber muß noch warten) - hoffe, die Hülsen sind mit dabei, aber vielleicht kann ich meine alten vom 100quattro 10V Sport nehmen ... - war leider kein Bild da
- ich brauch noch die kleinen Scheiben, die als Erstes auf den Dämpfer geschoben werden - welchen Außendurchmesser haben die ? relativ egal? - ich denk, man kann ne normale U-scheibe nehmen?
Gruß . Chris