NF2 Ölkühler nachrüsten
Moderatoren: Moderatoren, globale Moderatoren
Forumsregeln
Bitte vor dem Erstellen eines Postings die geltenden Forenregeln beachten. Moderatoren und der Site-Admin werden in regelmäßigen Kontrollen für die Einhaltung der Regeln sorgen.
http://forum.group44.de/viewtopic.php?f ... 1#p1242111
Bitte vor dem Erstellen eines Postings die geltenden Forenregeln beachten. Moderatoren und der Site-Admin werden in regelmäßigen Kontrollen für die Einhaltung der Regeln sorgen.
http://forum.group44.de/viewtopic.php?f ... 1#p1242111
NF2 Ölkühler nachrüsten
Hätte jemand ein paar Bilder vom eingebauten Ölkühler beim MC?
1990er Audi 100 Avant quattro "Sport" 2.3 E NF/AAT/AML/LY3D/834/NX Modell 445-PH5-WA5 (Aktion S711, Sport II)
Re: NF2 Ölkühler nachrüsten
Moinsen,
auf die Schnelle habe ich nur zwei parat.
Gruß
Jens
auf die Schnelle habe ich nur zwei parat.
Gruß
Jens
Zuletzt geändert von Ceag am 11.09.2022, 11:34, insgesamt 2-mal geändert.
Wer nicht fähig ist den Blinker seines Kfz´s zu betätigen, dem sollte nich die Erlaubnis erteilt werden sich im Straßenverkehr zu beteiligen!
Audi 200 Automatik Bj 10/1990
Audi 200 Automatik Bj 12/1988 (in Teilen)
Audi 100 Avant Quattro Sport Bj 03/1990 (Verunfallt 07/2010)
Audi 100 Avant Quattro Bj 07/1989
Audi A6 Avant Automatik Bj 03/96
Simson Star Bj 1972
Audi 200 Automatik Bj 10/1990
Audi 200 Automatik Bj 12/1988 (in Teilen)
Audi 100 Avant Quattro Sport Bj 03/1990 (Verunfallt 07/2010)
Audi 100 Avant Quattro Bj 07/1989
Audi A6 Avant Automatik Bj 03/96
Simson Star Bj 1972
Re: NF2 Ölkühler nachrüsten
Vielen Dank. Im Vergleich mit meinem NF erkenne ich dass die Voraussetzungen zur Montage gegeben sind. Wie sieht den die andere Seite mit dem Luftkanal aus? Wo sitzt die Eingangsseite des Luftkanals im unteren Grill?
1990er Audi 100 Avant quattro "Sport" 2.3 E NF/AAT/AML/LY3D/834/NX Modell 445-PH5-WA5 (Aktion S711, Sport II)
Re: NF2 Ölkühler nachrüsten
Moin,
es gibt zwei Möglichkeiten:
1. du sägst in die Blende an entsprechender Stelle die Löcher aus für den Einlass.
2. du schaust das du vom 10vt die Blende bekommst, die ist rechts immer offen.
Jedenfalls brauchst du auf der Beifahrerseite, rechts neben der Abschleppöse, den Einlass und den Kanal. Der Kanal wird auf die Halterung geschoben und mit zwei Schrauben fixiert. Vorn an der Blende ist er nur durch seine Form "gesichert". Da ist kein klips oder sowas zum fixieren.
Das ganze schaut dann so aus:
gruß
Alexander
es gibt zwei Möglichkeiten:
1. du sägst in die Blende an entsprechender Stelle die Löcher aus für den Einlass.
2. du schaust das du vom 10vt die Blende bekommst, die ist rechts immer offen.
Jedenfalls brauchst du auf der Beifahrerseite, rechts neben der Abschleppöse, den Einlass und den Kanal. Der Kanal wird auf die Halterung geschoben und mit zwei Schrauben fixiert. Vorn an der Blende ist er nur durch seine Form "gesichert". Da ist kein klips oder sowas zum fixieren.
Das ganze schaut dann so aus:
gruß
Alexander
- inge quattro
- Projektleiter
- Beiträge: 3247
- Registriert: 25.03.2005, 19:26
- Wohnort: bei Landau/Isar
Re: NF2 Ölkühler nachrüsten
Servus,
bei irgendeinem von meinen Alt- AUDI's hatte ich das mal mal, daß man man von dem Stoßstangengitter nur hinten eine Blende raus klippsen hat müssen, dann war sie offen...
Gruß
Thorsten
bei irgendeinem von meinen Alt- AUDI's hatte ich das mal mal, daß man man von dem Stoßstangengitter nur hinten eine Blende raus klippsen hat müssen, dann war sie offen...
Gruß
Thorsten
-
Deleted User 11296
-
alain lime
- Entwickler
- Beiträge: 506
- Registriert: 25.12.2004, 14:18
- Fuhrpark: Audi 100, NF2, BJ 89, 184.000 km nautic blau metalic
- Wohnort: Idstein (Hessen)
Re: NF2 Ölkühler nachrüsten
Hallo zusammen,
Eine (dumme?) Frage:
Ich habe seit einem Jahr ein NF 2 und konnte bisher keinerlei Problem mit der Temperatur feststellen. Allerdings konnte ich nur die Wassertemperatur beurteilen.
Habt Ihr irgendwelche Problem mit der Öltemperatur gehabt, dass ein Ölkühler nachgerüstet werden soll?
Gruss
Alain
Eine (dumme?) Frage:
Ich habe seit einem Jahr ein NF 2 und konnte bisher keinerlei Problem mit der Temperatur feststellen. Allerdings konnte ich nur die Wassertemperatur beurteilen.
Habt Ihr irgendwelche Problem mit der Öltemperatur gehabt, dass ein Ölkühler nachgerüstet werden soll?
Gruss
Alain
- haiforelle
- Entwicklungsleiter
- Beiträge: 1524
- Registriert: 01.04.2005, 17:19
- Wohnort: Lüneburg
Re: NF2 Ölkühler nachrüsten
Bei meinem NF war ein Ölkühler definitiv nicht nötig. Weder bei zügiger Fahrweise noch im schwerem Anhängerbetrieb bei hohen Außentemperaturen gab es Probleme mit der Temperatur. Auch in den Höhenlagen in der Schweiz oder Östereich ist mein NF nie ins Schwitzen gekommen.
Muss nur sagen mein NF hat den breiten Kühler drin.
[EDIT]
Ggf. kann ein zusätzlicher Ölkühler ohne Temperaturregelung auch kontraproduktiv sein und die Öltemperatur zu weit absenken...
[EDIT ende]
Muss nur sagen mein NF hat den breiten Kühler drin.
[EDIT]
Ggf. kann ein zusätzlicher Ölkühler ohne Temperaturregelung auch kontraproduktiv sein und die Öltemperatur zu weit absenken...
[EDIT ende]
Zuletzt geändert von haiforelle am 26.08.2024, 21:15, insgesamt 1-mal geändert.
-
alain lime
- Entwickler
- Beiträge: 506
- Registriert: 25.12.2004, 14:18
- Fuhrpark: Audi 100, NF2, BJ 89, 184.000 km nautic blau metalic
- Wohnort: Idstein (Hessen)
Re: NF2 Ölkühler nachrüsten
Hi,
Was ich aber festgestellt habe, ist, dass ein schlecht eingestelltes Gemisch ( zu mager) sich schon recht schnell richtig negativ auf die Temperatur auswirkt.
Ich kann nur jedem empfehlen alles zu tun, damit der Motor lamda 1 einhält ( und dies - eben - nicht nur aus tüv-Gründe)
Gruß
Alain
Was ich aber festgestellt habe, ist, dass ein schlecht eingestelltes Gemisch ( zu mager) sich schon recht schnell richtig negativ auf die Temperatur auswirkt.
Ich kann nur jedem empfehlen alles zu tun, damit der Motor lamda 1 einhält ( und dies - eben - nicht nur aus tüv-Gründe)
Gruß
Alain
- Fussel
- Entwicklungsleiter
- Beiträge: 1254
- Registriert: 08.11.2012, 15:53
- Fuhrpark: BMW 2002 tii (e114)
VW Käfer Cabrio (1302)
BMW 320/6 (e21)
Honda VFR400R (2x nc24)
Audi 100 Avant Quattro Sport (C3) - Wohnort: Nürnberg
Re: NF2 Ölkühler nachrüsten
Hallo Harald,
in Deinem Beitrag fehlt an der Stelle von Schweiz und Österreich ein nicht, oder?
in Deinem Beitrag fehlt an der Stelle von Schweiz und Österreich ein nicht, oder?
Quattrogetriebene Grüße, Fusselhaiforelle hat geschrieben: ↑03.09.2022, 18:47 Bei meinem NF war ein Ölkühler definitiv nicht nötig. Weder bei zügiger Fahrweise noch im schwerem Anhängerbetrieb bei hohen Außentemperaturen gab es Probleme mit der Temperatur. Auch in den Höhenlagen in der Schweiz oder Östereich ist mein NF ins Schwitzen gekommen.
- haiforelle
- Entwicklungsleiter
- Beiträge: 1524
- Registriert: 01.04.2005, 17:19
- Wohnort: Lüneburg
Re: NF2 Ölkühler nachrüsten
Ich kaufe noch ein "NICHT".
Danke dem Hinweis
Danke dem Hinweis
Re: NF2 Ölkühler nachrüsten
Bei mir waren es einfach Bauteilschutzgründe als Hintergedanke, da ich damals ein vollständiges "Kit" zum "Plug & Play" nachrüsten ergattern konnte.alain lime hat geschrieben: ↑03.09.2022, 13:44 Habt Ihr irgendwelche Problem mit der Öltemperatur gehabt, dass ein Ölkühler nachgerüstet werden soll?
Gruss
Alain
Ein Hinweis am Rande....im Ölfilterhalter steckt ein Thermostathaiforelle hat geschrieben: ↑03.09.2022, 18:47 [EDIT]
Ggf. kann ein zusätzlicher Ölkühler ohne Temperaturregelung auch kontraproduktiv sein und die Öltemperatur zu weit absenken...
[EDIT ende]
edit: Komplett geöffnete Gitter unterhalb des Stoßfängers waren ansich nur beim 20v und bei "warme Regionen" Ausrüstung verbaut.
Alle andern 5 zylinder nicht turbo sind nur fahrerseitig geöffnet, 4 Zylinder waren mein ich immer komplett geschlossen...
gruß
Alexander
Re: NF2 Ölkühler nachrüsten
Ich möchte den Ölkühler nachrüsten im Zusammenhang mit der Nachrüstung einer Klimaanlage. Bei normaler Autobahnfahrt (130 km/h, 4000 U/min) im Sommer (25°C bis 30 °C) liegt die angezeigte Öltemperatur kurz (2 mm) vor 130°C. Da hätte ich gerne etwas mehr Reserven bzw. Sicherheit.
1990er Audi 100 Avant quattro "Sport" 2.3 E NF/AAT/AML/LY3D/834/NX Modell 445-PH5-WA5 (Aktion S711, Sport II)
Re: NF2 Ölkühler nachrüsten
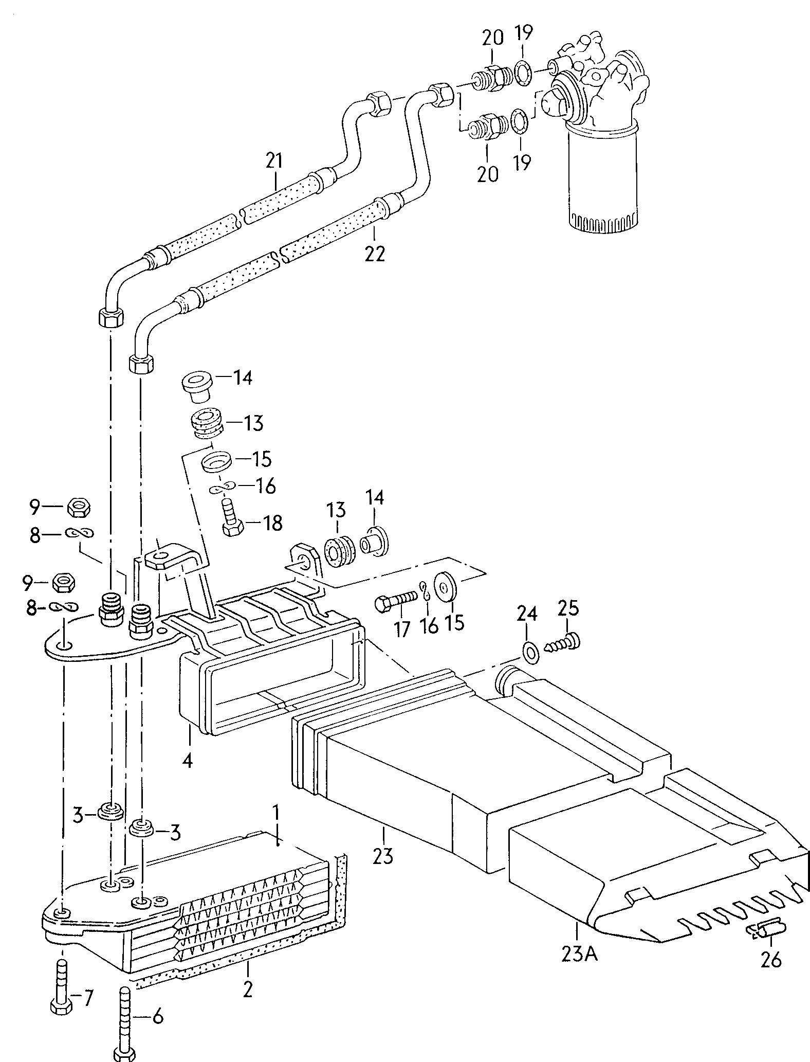
Kennt jemand eine Alternative zum selbst gebraucht völlig überteuert angeboten Ölfilterflansch Nr. 034115417 (für MC)? Kann man auch Nr.
035115417B (für KG und JY) zur Nachrüstung des Ölkühlers verwenden?
035115417B (für KG und JY) zur Nachrüstung des Ölkühlers verwenden?
1990er Audi 100 Avant quattro "Sport" 2.3 E NF/AAT/AML/LY3D/834/NX Modell 445-PH5-WA5 (Aktion S711, Sport II)
Re: NF2 Ölkühler nachrüsten
Sorry für OT:DerSporti hat geschrieben: ↑11.09.2022, 10:10 Ich möchte den Ölkühler nachrüsten im Zusammenhang mit der Nachrüstung einer Klimaanlage. Bei normaler Autobahnfahrt (130 km/h, 4000 U/min) im Sommer (25°C bis 30 °C) liegt die angezeigte Öltemperatur kurz (2 mm) vor 130°C. Da hätte ich gerne etwas mehr Reserven bzw. Sicherheit.
Hallo,
dann solltest Du Dich mal mit Falschluft und einer korrekten Gemischbildung beschäftigen. ich kenne diesen Effekt (Geschwindigkeit in km/h = Öltermperatur in Grad Celsius) wenn der Motor zu mager läuft.
Einfach ein Innovate MTX-L Anzeigeinstrument mit Breitbandsonde einbauen und die Gemischbildung im Blick haben.
Wenn da alles passt, geht auch der NF/NG/AAR nicht über 100-110 Grad... und ich wohne hier im Mittelgebirge mit teils 12% Steigungen..
Geht er drüber hat er Falschluft...
Gruß Stefan
Audi 100 T44 10/1987 titianrotmet 545.545km (Zwischenmodell) 2,2E 116PS
Audi 100 T44 03/1987 saphirblaumet 92.000km (Vorfacemodell) 2,2E 116PS
Audi Cabrio 08/1992 indigoperleffekt 166000km 2,3E 133PS
Audi 100 C4 04/1994 Kristallsilber 252.000km 2,3E 133PS
Audi A3 8P 06/2007 Moroblauperleffekt 160.000km 1,6 102PS
Audi 100 T44 03/1987 saphirblaumet 92.000km (Vorfacemodell) 2,2E 116PS
Audi Cabrio 08/1992 indigoperleffekt 166000km 2,3E 133PS
Audi 100 C4 04/1994 Kristallsilber 252.000km 2,3E 133PS
Audi A3 8P 06/2007 Moroblauperleffekt 160.000km 1,6 102PS
Re: NF2 Ölkühler nachrüsten
@ceag: Hast du die bilder wieder rausgenommen?
1990er Audi 100 Avant quattro "Sport" 2.3 E NF/AAT/AML/LY3D/834/NX Modell 445-PH5-WA5 (Aktion S711, Sport II)
Re: NF2 Ölkühler nachrüsten
Habe die Teile mal zur Probe montiert und es passt soweit alles gut. Könnt ihr das bestätigen? An der Karosserie musste ich nur zwei (unterschiedliche ) Nietmutten nachsetzen.
1990er Audi 100 Avant quattro "Sport" 2.3 E NF/AAT/AML/LY3D/834/NX Modell 445-PH5-WA5 (Aktion S711, Sport II)
- haiforelle
- Entwicklungsleiter
- Beiträge: 1524
- Registriert: 01.04.2005, 17:19
- Wohnort: Lüneburg
Re: NF2 Ölkühler nachrüsten
Was für ein Aufwand. Wie ich schon mal geschrieben hatte, mit meinem NF und sommerliche Temperaturen sowie vollen Trailer durch die Berge nie Temperaturprobleme gehabt...
Alles Gut
Harald
Alles Gut
Harald
Re: NF2 Ölkühler nachrüsten
warum kannst du nicht einfach akzeptieren dass ich mir einen Ölkühler einbauen will? da ich mir eine Klima nachrüste will ich einfach mehr Reserven. dass ich ein Problem habe mit der Motorsteuerung weiß ich und werde mich drum kümmern. werde mal toleranter gegenüber Leuten die es anders machen wie du sagsthaiforelle hat geschrieben: ↑26.08.2024, 21:13 Was für ein Aufwand. Wie ich schon mal geschrieben hatte, mit meinem NF und sommerliche Temperaturen sowie vollen Trailer durch die Berge nie Temperaturprobleme gehabt...
Alles Gut
Harald
1990er Audi 100 Avant quattro "Sport" 2.3 E NF/AAT/AML/LY3D/834/NX Modell 445-PH5-WA5 (Aktion S711, Sport II)
- haiforelle
- Entwicklungsleiter
- Beiträge: 1524
- Registriert: 01.04.2005, 17:19
- Wohnort: Lüneburg
Re: NF2 Ölkühler nachrüsten
Entschuldige Bitte das ich meine Meinung dazu geäußert habe, welchen Aufwand Du treibst. Ich habe das definitiv nicht verurteilt sondern nur angemerkt das mein NF ausreichend termische Reserven hat.
Mich dann gleich so anzugehen finde ich nicht besonders und ich denke ich bin einer der tollerantesten Menschen, aber mich so anzumachen Naja... mach gerne so weiter.
So long
Mich dann gleich so anzugehen finde ich nicht besonders und ich denke ich bin einer der tollerantesten Menschen, aber mich so anzumachen Naja... mach gerne so weiter.
So long
Re: NF2 Ölkühler nachrüsten
okay, sorry für meine Überreaktion. bin gerade etwas angespannt durch meine Klima nachrüstaktion.haiforelle hat geschrieben: ↑28.08.2024, 08:17 Entschuldige Bitte das ich meine Meinung dazu geäußert habe, welchen Aufwand Du treibst. Ich habe das definitiv nicht verurteilt sondern nur angemerkt das mein NF ausreichend termische Reserven hat.
Mich dann gleich so anzugehen finde ich nicht besonders und ich denke ich bin einer der tollerantesten Menschen, aber mich so anzumachen Naja... mach gerne so weiter.
So long
1990er Audi 100 Avant quattro "Sport" 2.3 E NF/AAT/AML/LY3D/834/NX Modell 445-PH5-WA5 (Aktion S711, Sport II)
-
keek1983
- Crashtest-Dummy

- Beiträge: 71
- Registriert: 19.05.2021, 07:47
- Fuhrpark: Audi 100 Typ 44 - BJ 1990 - 2.2e KU ohne Kat
Re: NF2 Ölkühler nachrüsten
Kannst du ma die Teilenummern zusammenstellen für solch eine Umrüstung? Danke 
Audi 100 Typ 44 - BJ 1990 - 2.2e KU ohne Kat
-
Daniel Turbo10V
- Testfahrer

- Beiträge: 362
- Registriert: 25.01.2022, 20:39
- Fuhrpark: AUDI 100 Komfort 2,3E Limo MKB:NF EZ.4/90 Cheyenrotperleffekt
AUDI 200 20V Limo MKB:3B EZ. 1990 perlmuttweiß )
AUDI 200 10V Turbo Fronti Limo MKB:MC(1)EZ. 4/88 Steingraumetallic
AUDI 100 2,3E Limo
AUDI 200 10V QUATTRO Turbo(Baustelle) - Wohnort: 42551 Velbert
Re: NF2 Ölkühler nachrüsten
Ich finde den Aufwand gut. Man sollte auch dem Klimawandel Rechnung tragen. Im Winter kann ja jeder....Aber im Sommer sehe ich sogar "moderne Fahrzeuge" auf dem Standstreifen stehen mit qualmenden Kühlsystemen, gerade jetzt auch immer mehr Wohnmobile und Wohnwagengespanne. Reserven sind nie verkehrt.....haiforelle hat geschrieben: ↑26.08.2024, 21:13 Was für ein Aufwand. Wie ich schon mal geschrieben hatte, mit meinem NF und sommerliche Temperaturen sowie vollen Trailer durch die Berge nie Temperaturprobleme gehabt...
Alles Gut
Harald
In diesem Sinne @ DerSporti mach weiter so, ich verfolge deinen Thread mit der Klima mit Hochachtung!!!
Mit deiner Öltemperatur prüfe bitte mal die Temperatur bei angezeigtem Wert 130 Grad mit einem Digitalthermometer an der Ölwanne nach. Entweder hast du da wirklich ein "Magerproblem" oder der Öltemperaturgeber zeigt zu viel an. Die Temperatur bekomme ich beim 10v Turbo bei Autobahnhatz hin, aber da weiß ich auch warum.
Gruß Daniel
"Wer sagt das alte Autos und Motorräder fahren billig und einfach sein muss? "
Re: NF2 Ölkühler nachrüsten
Habe mich jetzt doch noch für Leitung 4A0117125A vom C4 (AAN) mit Rohrbogen entschieden. Und festgestellt dass beim ursprünglich geplanten Ölkühler 034117021 (ohne B) die festen Gewinde schlecht waren. 034117021B (mit B) ist durch stabilere Adapteranschlüsse besser bzw. reparabel (wird noch gepulvert).
Edit: Möchte aber trotzdem noch auf diese Reparaturmöglichkeit von Poldy hinweisen: viewtopic.php?f=6&t=159012
Edit: Möchte aber trotzdem noch auf diese Reparaturmöglichkeit von Poldy hinweisen: viewtopic.php?f=6&t=159012
1990er Audi 100 Avant quattro "Sport" 2.3 E NF/AAT/AML/LY3D/834/NX Modell 445-PH5-WA5 (Aktion S711, Sport II)
Re: NF2 Ölkühler nachrüsten
Beim stöbern im WWW habe ich entdeckt dass der NF für USA Markt mit Ölkühler ausgestattet war...
Quellen:
classiccars.com, catcar
Quellen:
classiccars.com, catcar
1990er Audi 100 Avant quattro "Sport" 2.3 E NF/AAT/AML/LY3D/834/NX Modell 445-PH5-WA5 (Aktion S711, Sport II)
Re: NF2 Ölkühler nachrüsten
Beim ersten Probelauf gibt es jetzt eine massive Undichtigkeit zwischen Ölfilterflansch und Motorblock. Und mir ist im Teilekatalog ein "Zwischenflansch" (11) mit zwei O-Ringen (12), allerdings nur für Motor 3D ausgewiesen, aufgefallen. Brauche ich, entgegen dem Teilekatalog, diesen Zwischenflansch auch beim NF?
1990er Audi 100 Avant quattro "Sport" 2.3 E NF/AAT/AML/LY3D/834/NX Modell 445-PH5-WA5 (Aktion S711, Sport II)
Re: NF2 Ölkühler nachrüsten
Ich löse das mal auf obwohl es etwas peinlich ist. Die Hohlschraube ist mit 70 Nm festzuziehen und nicht nur Handfest...
1990er Audi 100 Avant quattro "Sport" 2.3 E NF/AAT/AML/LY3D/834/NX Modell 445-PH5-WA5 (Aktion S711, Sport II)
Re: NF2 Ölkühler nachrüsten
Da jetzt alles dicht ist, kurze Frage: Sind 1,8 bar Öldruck im Leerlauf und 4,0 bar bei 2000 U/min bei einer Öltemperatur von ca. 90°C okay?
1990er Audi 100 Avant quattro "Sport" 2.3 E NF/AAT/AML/LY3D/834/NX Modell 445-PH5-WA5 (Aktion S711, Sport II)