Seite 1 von 1
NF2 Ölkühler nachrüsten
Verfasst: 29.07.2022, 06:57
von DerSporti
Hätte jemand ein paar Bilder vom eingebauten Ölkühler beim MC?
Re: NF2 Ölkühler nachrüsten
Verfasst: 29.07.2022, 11:21
von Ceag
Moinsen,
auf die Schnelle habe ich nur zwei parat.
Gruß
Jens
Re: NF2 Ölkühler nachrüsten
Verfasst: 29.07.2022, 14:02
von DerSporti
Vielen Dank. Im Vergleich mit meinem NF erkenne ich dass die Voraussetzungen zur Montage gegeben sind. Wie sieht den die andere Seite mit dem Luftkanal aus? Wo sitzt die Eingangsseite des Luftkanals im unteren Grill?

- NF-Karosse für MC-Ölkühler vorbereitet check
Re: NF2 Ölkühler nachrüsten
Verfasst: 01.09.2022, 16:14
von Alex83
Moin,
es gibt zwei Möglichkeiten:
1. du sägst in die Blende an entsprechender Stelle die Löcher aus für den Einlass.
2. du schaust das du vom 10vt die Blende bekommst, die ist rechts immer offen.
Jedenfalls brauchst du auf der Beifahrerseite, rechts neben der Abschleppöse, den Einlass und den Kanal. Der Kanal wird auf die Halterung geschoben und mit zwei Schrauben fixiert. Vorn an der Blende ist er nur durch seine Form "gesichert". Da ist kein klips oder sowas zum fixieren.
Das ganze schaut dann so aus:
gruß
Alexander
Re: NF2 Ölkühler nachrüsten
Verfasst: 01.09.2022, 21:28
von inge quattro
Servus,
bei irgendeinem von meinen Alt- AUDI's hatte ich das mal mal, daß man man von dem Stoßstangengitter nur hinten eine Blende raus klippsen hat müssen, dann war sie offen...
Gruß
Thorsten
Re: NF2 Ölkühler nachrüsten
Verfasst: 01.09.2022, 22:24
von Deleted User 11296
Alex83 hat geschrieben: ↑01.09.2022, 16:14
du schaust das du vom 10vt die Blende bekommst, die ist rechts immer offen.
Hallo,
es gibt vom 10VT auch eine, die ist zwischen den Rippen komplett offen.
Gruß
Michael
Re: NF2 Ölkühler nachrüsten
Verfasst: 03.09.2022, 13:44
von alain lime
Hallo zusammen,
Eine (dumme?) Frage:
Ich habe seit einem Jahr ein NF 2 und konnte bisher keinerlei Problem mit der Temperatur feststellen. Allerdings konnte ich nur die Wassertemperatur beurteilen.
Habt Ihr irgendwelche Problem mit der Öltemperatur gehabt, dass ein Ölkühler nachgerüstet werden soll?
Gruss
Alain
Re: NF2 Ölkühler nachrüsten
Verfasst: 03.09.2022, 18:47
von haiforelle
Bei meinem NF war ein Ölkühler definitiv nicht nötig. Weder bei zügiger Fahrweise noch im schwerem Anhängerbetrieb bei hohen Außentemperaturen gab es Probleme mit der Temperatur. Auch in den Höhenlagen in der Schweiz oder Östereich ist mein NF nie ins Schwitzen gekommen.
Muss nur sagen mein NF hat den breiten Kühler drin.
[EDIT]
Ggf. kann ein zusätzlicher Ölkühler ohne Temperaturregelung auch kontraproduktiv sein und die Öltemperatur zu weit absenken...
[EDIT ende]
Re: NF2 Ölkühler nachrüsten
Verfasst: 03.09.2022, 19:52
von alain lime
Hi,
Was ich aber festgestellt habe, ist, dass ein schlecht eingestelltes Gemisch ( zu mager) sich schon recht schnell richtig negativ auf die Temperatur auswirkt.
Ich kann nur jedem empfehlen alles zu tun, damit der Motor lamda 1 einhält ( und dies - eben - nicht nur aus tüv-Gründe)
Gruß
Alain
Re: NF2 Ölkühler nachrüsten
Verfasst: 04.09.2022, 14:28
von Fussel
Hallo Harald,
in Deinem Beitrag fehlt an der Stelle von Schweiz und Österreich ein nicht, oder?
haiforelle hat geschrieben: ↑03.09.2022, 18:47
Bei meinem NF war ein Ölkühler definitiv nicht nötig. Weder bei zügiger Fahrweise noch im schwerem Anhängerbetrieb bei hohen Außentemperaturen gab es Probleme mit der Temperatur.
Auch in den Höhenlagen in der Schweiz oder Östereich ist mein NF ins Schwitzen gekommen.
Quattrogetriebene Grüße, Fussel
Re: NF2 Ölkühler nachrüsten
Verfasst: 04.09.2022, 16:42
von haiforelle
Ich kaufe noch ein "NICHT".
Danke dem Hinweis

Re: NF2 Ölkühler nachrüsten
Verfasst: 10.09.2022, 16:12
von Alex83
alain lime hat geschrieben: ↑03.09.2022, 13:44
Habt Ihr irgendwelche Problem mit der Öltemperatur gehabt, dass ein Ölkühler nachgerüstet werden soll?
Gruss
Alain
Bei mir waren es einfach Bauteilschutzgründe als Hintergedanke, da ich damals ein vollständiges "Kit" zum "Plug & Play" nachrüsten ergattern konnte.
haiforelle hat geschrieben: ↑03.09.2022, 18:47
[EDIT]
Ggf. kann ein zusätzlicher Ölkühler ohne Temperaturregelung auch kontraproduktiv sein und die Öltemperatur zu weit absenken...
[EDIT ende]
Ein Hinweis am Rande....im Ölfilterhalter steckt ein Thermostat

, sowohl für NF als auch MC Motorölkühler.
edit: Komplett geöffnete Gitter unterhalb des Stoßfängers waren ansich nur beim 20v und bei "warme Regionen" Ausrüstung verbaut.
Alle andern 5 zylinder nicht turbo sind nur fahrerseitig geöffnet, 4 Zylinder waren mein ich immer komplett geschlossen...
gruß
Alexander
Re: NF2 Ölkühler nachrüsten
Verfasst: 11.09.2022, 10:10
von DerSporti
Ich möchte den Ölkühler nachrüsten im Zusammenhang mit der Nachrüstung einer Klimaanlage. Bei normaler Autobahnfahrt (130 km/h, 4000 U/min) im Sommer (25°C bis 30 °C) liegt die angezeigte Öltemperatur kurz (2 mm) vor 130°C. Da hätte ich gerne etwas mehr Reserven bzw. Sicherheit.
Re: NF2 Ölkühler nachrüsten
Verfasst: 11.06.2023, 12:22
von DerSporti
Kennt jemand eine Alternative zum selbst gebraucht völlig überteuert angeboten Ölfilterflansch Nr. 034115417 (für MC)? Kann man auch Nr.
035115417B (für KG und JY) zur Nachrüstung des Ölkühlers verwenden?
Re: NF2 Ölkühler nachrüsten
Verfasst: 11.06.2023, 14:08
von StefanS
DerSporti hat geschrieben: ↑11.09.2022, 10:10
Ich möchte den Ölkühler nachrüsten im Zusammenhang mit der Nachrüstung einer Klimaanlage. Bei
normaler Autobahnfahrt (130 km/h, 4000 U/min) im Sommer (25°C bis 30 °C) liegt die angezeigte
Öltemperatur kurz (2 mm) vor 130°C. Da hätte ich gerne etwas mehr Reserven bzw. Sicherheit.
Sorry für OT:
Hallo,
dann solltest Du Dich mal mit Falschluft und einer korrekten Gemischbildung beschäftigen. ich kenne diesen Effekt (Geschwindigkeit in km/h = Öltermperatur in Grad Celsius)
wenn der Motor zu mager läuft.
Einfach ein
Innovate MTX-L Anzeigeinstrument mit Breitbandsonde einbauen und die Gemischbildung im Blick haben.
Wenn da alles passt, geht auch der NF/NG/AAR nicht über 100-110 Grad... und ich wohne hier im Mittelgebirge mit teils 12% Steigungen..
Geht er drüber hat er Falschluft...
Gruß Stefan
Re: NF2 Ölkühler nachrüsten
Verfasst: 26.07.2023, 06:29
von DerSporti
@ceag: Hast du die bilder wieder rausgenommen?
Re: NF2 Ölkühler nachrüsten
Verfasst: 26.08.2024, 16:37
von DerSporti
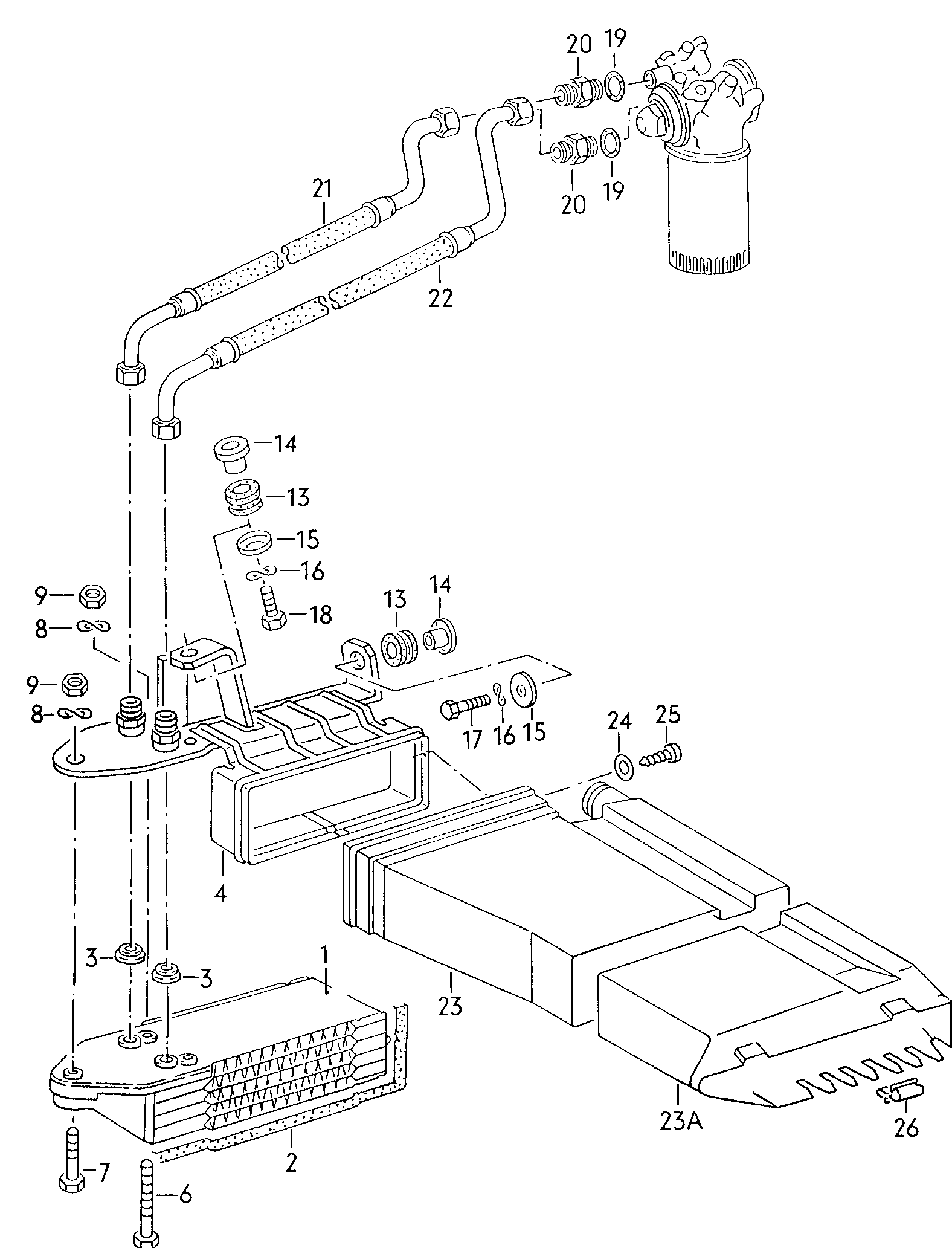
Habe die Teile mal zur Probe montiert und es passt soweit alles gut. Könnt ihr das bestätigen? An der Karosserie musste ich nur zwei (unterschiedliche ) Nietmutten nachsetzen.

- Kennt jemand die Artikelnummer oder Abmessungen der beiden Spannstifte im Block für den Ölfilterflansch?

- Passt das so mit der Kabelführung zum Anlasser? Kann mir jemand die passende Tülle verkaufen?
Re: NF2 Ölkühler nachrüsten
Verfasst: 26.08.2024, 21:13
von haiforelle
Was für ein Aufwand. Wie ich schon mal geschrieben hatte, mit meinem NF und sommerliche Temperaturen sowie vollen Trailer durch die Berge nie Temperaturprobleme gehabt...
Alles Gut
Harald
Re: NF2 Ölkühler nachrüsten
Verfasst: 26.08.2024, 21:34
von DerSporti
haiforelle hat geschrieben: ↑26.08.2024, 21:13
Was für ein Aufwand. Wie ich schon mal geschrieben hatte, mit meinem NF und sommerliche Temperaturen sowie vollen Trailer durch die Berge nie Temperaturprobleme gehabt...
Alles Gut
Harald
warum kannst du nicht einfach akzeptieren dass ich mir einen Ölkühler einbauen will? da ich mir eine Klima nachrüste will ich einfach mehr Reserven. dass ich ein Problem habe mit der Motorsteuerung weiß ich und werde mich drum kümmern. werde mal toleranter gegenüber Leuten die es anders machen wie du sagst
Re: NF2 Ölkühler nachrüsten
Verfasst: 28.08.2024, 08:17
von haiforelle
Entschuldige Bitte das ich meine Meinung dazu geäußert habe, welchen Aufwand Du treibst. Ich habe das definitiv nicht verurteilt sondern nur angemerkt das mein NF ausreichend termische Reserven hat.
Mich dann gleich so anzugehen finde ich nicht besonders und ich denke ich bin einer der tollerantesten Menschen, aber mich so anzumachen Naja... mach gerne so weiter.
So long
Re: NF2 Ölkühler nachrüsten
Verfasst: 28.08.2024, 12:58
von DerSporti
haiforelle hat geschrieben: ↑28.08.2024, 08:17
Entschuldige Bitte das ich meine Meinung dazu geäußert habe, welchen Aufwand Du treibst. Ich habe das definitiv nicht verurteilt sondern nur angemerkt das mein NF ausreichend termische Reserven hat.
Mich dann gleich so anzugehen finde ich nicht besonders und ich denke ich bin einer der tollerantesten Menschen, aber mich so anzumachen Naja... mach gerne so weiter.
So long
okay, sorry für meine Überreaktion. bin gerade etwas angespannt durch meine Klima nachrüstaktion.
Re: NF2 Ölkühler nachrüsten
Verfasst: 28.08.2024, 13:09
von keek1983
Kannst du ma die Teilenummern zusammenstellen für solch eine Umrüstung? Danke

Re: NF2 Ölkühler nachrüsten
Verfasst: 28.08.2024, 14:47
von Daniel Turbo10V
haiforelle hat geschrieben: ↑26.08.2024, 21:13
Was für ein Aufwand. Wie ich schon mal geschrieben hatte, mit meinem NF und sommerliche Temperaturen sowie vollen Trailer durch die Berge nie Temperaturprobleme gehabt...
Alles Gut
Harald
Ich finde den Aufwand gut. Man sollte auch dem Klimawandel Rechnung tragen. Im Winter kann ja jeder....Aber im Sommer sehe ich sogar "moderne Fahrzeuge" auf dem Standstreifen stehen mit qualmenden Kühlsystemen, gerade jetzt auch immer mehr Wohnmobile und Wohnwagengespanne. Reserven sind nie verkehrt.....
In diesem Sinne @ DerSporti mach weiter so, ich verfolge deinen Thread mit der Klima mit Hochachtung!!!
Mit deiner Öltemperatur prüfe bitte mal die Temperatur bei angezeigtem Wert 130 Grad mit einem Digitalthermometer an der Ölwanne nach. Entweder hast du da wirklich ein "Magerproblem" oder der Öltemperaturgeber zeigt zu viel an. Die Temperatur bekomme ich beim 10v Turbo bei Autobahnhatz hin, aber da weiß ich auch warum.
Gruß Daniel
Re: NF2 Ölkühler nachrüsten
Verfasst: 08.05.2025, 08:10
von DerSporti
Re: NF2 Ölkühler nachrüsten
Verfasst: 05.06.2025, 08:02
von DerSporti
Beim stöbern im WWW habe ich entdeckt dass der NF für USA Markt mit Ölkühler ausgestattet war...

- 27790733-1990-audi-100-std.jpg (204.48 KiB) 1285 mal betrachtet

- 27772987-1990-audi-100-std.jpg (210.68 KiB) 1285 mal betrachtet

- AUDI Audi 100 USA 1990 Motor 1720
- 005017200.png (43.55 KiB) 1285 mal betrachtet

- Unbenannt.JPG (18.36 KiB) 1285 mal betrachtet
Quellen:
classiccars.com,
catcar
Re: NF2 Ölkühler nachrüsten
Verfasst: 21.07.2025, 12:42
von DerSporti
Re: NF2 Ölkühler nachrüsten
Verfasst: 21.07.2025, 19:35
von DerSporti
Ich löse das mal auf obwohl es etwas peinlich ist. Die Hohlschraube ist mit 70 Nm festzuziehen und nicht nur Handfest...
Re: NF2 Ölkühler nachrüsten
Verfasst: 22.07.2025, 18:20
von DerSporti
Da jetzt alles dicht ist, kurze Frage: Sind 1,8 bar Öldruck im Leerlauf und 4,0 bar bei 2000 U/min bei einer Öltemperatur von ca. 90°C okay?
Re: NF2 Ölkühler nachrüsten
Verfasst: 22.07.2025, 18:32
von CarstenT.
Ja.