Seite 1 von 1
Teilenummern Faltenbalg
Verfasst: 06.11.2023, 19:49
von pxL1991
Servus,
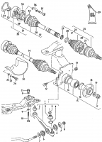
kann mir einer mit den Teilenummern für die Faltenbalg Bälge aushelfen?
Audi 100 Typ 44 Nf Avant VFL Avant
vielen lieben Dank
Mit freundlichen Grüßen
Kevin
Re: Teilenummern Faltenbalg
Verfasst: 06.11.2023, 21:44
von Fussel
Hallo Kevin,
Vorderachse? Hinterachse? Innen oder außen? Nur den Faltenbalg oder einen Reparatursatz?
Ich hatte mir damals für meinen NF2 Facelift Avant jeweils Reparatursätze gekauft mit allem notwendigen Material gekauft.

- Gelenkwelle Vorderachse VFL (Bj86)

- Gelenkwelle Hinterachse VFL (Bj86)
Zu finden auch unter 7zap online Teilekatalog (
Link)
Hab dort aber auch keine Nummern für die Faltenbälge alleine gefunden...
Quattrogetriebene Grüße, Fussel
Re: Teilenummern Faltenbalg
Verfasst: 06.11.2023, 22:10
von pxL1991
Hallo,
würde gerne alle Bälge kaufen.
wenn die noch zu bekommen sind.
Mit freundlichen Grüßen
Re: Teilenummern Faltenbalg
Verfasst: 07.11.2023, 20:34
von Fussel
Hallo Kevin,
warst Du schonmal beim Stahlgruber? Das wäre ein Anlaufpunkt: die können Dir die Teile raussuchen und sagen Dir auch direkt, was lieferbar ist.
Vielleicht etwas teurer als im Internet, dafür aber mit weniger Stress verbunden und leichter im Umtauschen.
Oliver Wischerath hat seinen Shop leider geschlossen, da hatte ich sonst immer die passenden Typ44 Teile bezogen.
Quattrogetriebene Grüße,
Fussel
Re: Teilenummern Faltenbalg
Verfasst: 07.11.2023, 21:03
von pxL1991
ne da war ich noch nicht guter anlaufpunkt.
danke schonmal
Mit freundlichen Grüßen
Re: Teilenummern Faltenbalg
Verfasst: 08.11.2023, 00:17
von Joe 10v
Servus
Die Faltenbalge zwischen Vorderachse und Hinterachse sind bei meinen VFL Bj 87 alle gleich.
Achtung bei Händler werden oft für den 5 Zylinder die vom 4 Zylinder verkauf, die sind kleiner.
Ich habe im moment Febi Bilstein Verbaut, Ausengelenke.
Febi 03629 ist allerdings vom Audi 90
Da ist die große Mutter mit dabei.
Innen hab ich Spidan 26109 verbaut.
Kann ich dir besorgen, bitte Pn dazu
Mfg
Re: Teilenummern Faltenbalg
Verfasst: 09.11.2023, 04:47
von pxL1991
Danke für die Hilfestellung
Mit freundlichen Grüßen
Re: Teilenummern Faltenbalg
Verfasst: 09.11.2023, 18:23
von Joe 10v
Servus
Bei weitern Fragen zu den Antriebswellen, gerne weiter Fragen
Oder bei Bildern von den Faltenbalgen die du erworben hast.
Mfg
Re: Teilenummern Faltenbalg
Verfasst: 10.11.2023, 20:22
von pxL1991
Servus,
hast du den das mittellager von der Kardan auch schon gemacht?
da gibt es nämlich keine klare Aussage welches genau passt.
Mit freundlichen Grüßen
Re: Teilenummern Faltenbalg
Verfasst: 11.11.2023, 02:19
von Joe 10v
Servus
Nein, ich hab immer noch die erste Kardanwelle drinne mit 576600km
Hab noch eine Originale Welle liegen als Ersatz.
Da gibt es akuelll einen Betrag von smuef mit 48 Infofs
Bitte lesen, mfg
Re: Teilenummern Faltenbalg
Verfasst: 11.11.2023, 17:07
von Klaus T.
pxL1991 hat geschrieben: ↑10.11.2023, 20:22
Servus,
hast du den das mittellager von der Kardan auch schon gemacht?
da gibt es nämlich keine klare Aussage welches genau passt.
Mit freundlichen Grüßen
... guckst du mal ganz unten, vielleicht hilft es dir
klick mich!viewtopic.php?f=6&t=166350&p=1472641#p1472641[/longurl]
Re: Teilenummern Faltenbalg
Verfasst: 12.11.2023, 09:23
von pxL1991
Hast du das auch schon verbaut?
liebe Grüße
Re: Teilenummern Faltenbalg
Verfasst: 12.11.2023, 14:38
von Klaus T.
Hallo, du fragtest ob ich es schon verbaut habe: "Ja" ... aber eben nicht mehr für meinen 44er, da ich ihn schon 4 Jahre nicht mehr habe.
Die Situation ist die, dass ich solch einen "Umbau" schon für einen (ich glaube ein B4 quattro wars) vorgenommen habe.
Man bohrt die Schweißpunkte der Füße/Bügel auf und kann dann durch Lochschweißung den Ring mit dem gewünschten
Fuss verschweißen. Die Ringinnenseite lackieren und trocknen lassen. Aussenseite des Gummikörpers und Innenseite des Metallringes mit Prilwasser oder Reifenmontagepaste benetzen und per Presse oder Schraubstock gefühlvoll ineinander schieben. Die 3 Nasen umbiegen und alles schön lackieren.
Re: Teilenummern Faltenbalg
Verfasst: 26.11.2023, 13:59
von Joe 10v
Servus
An den Ersteller von diesen Thema.
Was hast du jetzt für welche Faltenbalge Gekauft bzw Verbaut
Ein Forum lebt von Feedpacks
Mfg
Re: Teilenummern Faltenbalg
Verfasst: 26.11.2023, 19:53
von pxL1991
Joe 10v hat geschrieben: ↑26.11.2023, 13:59
Servus
An den Ersteller von diesen Thema.
Was hast du jetzt für welche Faltenbalge Gekauft bzw Verbaut
Ein Forum lebt von Feedpacks
Mfg
Servus hab deinne genannten verbaut. und hat alles wunderbar gepasst bis auf die Klammern da hab ich die alten wiederverwertet.
Mit freundlichen Grüßen
Re: Teilenummern Faltenbalg
Verfasst: 26.11.2023, 19:54
von pxL1991
bräuchte nur noch das mittellager welches ich nicht find
Mit freundlichen Grüßen
Re: Teilenummern Faltenbalg
Verfasst: 26.11.2023, 20:06
von Joe 10v
Servus
Bei mir haben Schlauchbinder mit 97mm gepasst
Für die Kardanwelle gibt es Teile.
In dem Kardanwellen Thema selber nach schauen.
Bei Audi gab es keine Einzelteile.....
Einfach Forumssuche benutzen, mfg