Dämpfung Schaumstoff Kotflügel links
Moderatoren: Moderatoren, globale Moderatoren
Forumsregeln
Bitte vor dem Erstellen eines Postings die geltenden Forenregeln beachten. Moderatoren und der Site-Admin werden in regelmäßigen Kontrollen für die Einhaltung der Regeln sorgen.
http://forum.group44.de/viewtopic.php?f ... 1#p1242111
Bitte vor dem Erstellen eines Postings die geltenden Forenregeln beachten. Moderatoren und der Site-Admin werden in regelmäßigen Kontrollen für die Einhaltung der Regeln sorgen.
http://forum.group44.de/viewtopic.php?f ... 1#p1242111
- Bommel220VAvant
- Entwickler
- Beiträge: 536
- Registriert: 27.07.2007, 20:15
- Wohnort: Zwischen Harz und Heide
Dämpfung Schaumstoff Kotflügel links
Hallo zusammen,
kennt einer die Teilenummer für das Schaumstoff Tril / Dämpfungsteil was im linken Kotflügel verbaut ist.
Es ist zu sehen, wenn man die Fahrertür aufmacht und in den Kotflügel schauen will.
Wenn einer noch was für einen 20v Avant rumliefen hat würde ich
Mich freuen.
Freundliche Grüße Bommel
kennt einer die Teilenummer für das Schaumstoff Tril / Dämpfungsteil was im linken Kotflügel verbaut ist.
Es ist zu sehen, wenn man die Fahrertür aufmacht und in den Kotflügel schauen will.
Wenn einer noch was für einen 20v Avant rumliefen hat würde ich
Mich freuen.
Freundliche Grüße Bommel
Probleme ? Wenn ich morgen aufwache und mein Kopf wäre am Teppich festgenäht, dass wären Probleme 
-
Boris Ivanitsch
- Testfahrer

- Beiträge: 373
- Registriert: 24.02.2009, 22:49
- Wohnort: Werdau
Re: Dämpfung Schaumstoff Kotflügel links
Hallo Bommel,
sollte die 441 955 189 sein.
Hab ich für meinen 20V auch ein Stück gesucht, aber nirgends auftreiben können.
Vielleicht hast Du ja mehr Erfolg!
MfG
sollte die 441 955 189 sein.
Hab ich für meinen 20V auch ein Stück gesucht, aber nirgends auftreiben können.
Vielleicht hast Du ja mehr Erfolg!
MfG
Re: Dämpfung Schaumstoff Kotflügel links
Hallo,
ich bin mir nicht sicher, ob das die korrekte Teilenummer ist, da es das Stück (etwa faustgroß, etwas abgerundet...) auch schon beim Vorface und beim Zwischenmodell Audi 100 gab. Leider finde ich aber - weder beim Kotflügel, noch bei sonstigen Karosserieteilen. Das Füllstück (welches Ich meine) ist auch bei allen Kotflügelvarianten gleich, da sich der Bereich kaum unterscheidet.
Gruß Stefan
ich bin mir nicht sicher, ob das die korrekte Teilenummer ist, da es das Stück (etwa faustgroß, etwas abgerundet...) auch schon beim Vorface und beim Zwischenmodell Audi 100 gab. Leider finde ich aber - weder beim Kotflügel, noch bei sonstigen Karosserieteilen. Das Füllstück (welches Ich meine) ist auch bei allen Kotflügelvarianten gleich, da sich der Bereich kaum unterscheidet.
Gruß Stefan
Audi 100 T44 10/1987 titianrotmet 545.545km (Zwischenmodell) 2,2E 116PS
Audi 100 T44 03/1987 saphirblaumet 92.000km (Vorfacemodell) 2,2E 116PS
Audi Cabrio 08/1992 indigoperleffekt 166000km 2,3E 133PS
Audi 100 C4 04/1994 Kristallsilber 252.000km 2,3E 133PS
Audi A3 8P 06/2007 Moroblauperleffekt 160.000km 1,6 102PS
Audi 100 T44 03/1987 saphirblaumet 92.000km (Vorfacemodell) 2,2E 116PS
Audi Cabrio 08/1992 indigoperleffekt 166000km 2,3E 133PS
Audi 100 C4 04/1994 Kristallsilber 252.000km 2,3E 133PS
Audi A3 8P 06/2007 Moroblauperleffekt 160.000km 1,6 102PS
-
Boris Ivanitsch
- Testfahrer

- Beiträge: 373
- Registriert: 24.02.2009, 22:49
- Wohnort: Werdau
Re: Dämpfung Schaumstoff Kotflügel links
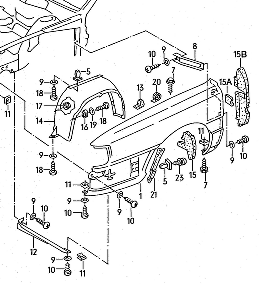
Meiner Ansicht nach geht es hier nicht um das "kleine" Teil, was Du beschreibst (vmtl. 15A), sondern um das große, was den Kotflügel von unten bis oben "füllt" (15B).
Wer liegt richtig, Bommel?
Wer liegt richtig, Bommel?
- kpt.-Como
- Abteilungsleiter
- Beiträge: 7157
- Registriert: 10.11.2004, 13:33
- Fuhrpark: S 60 R 2,5T 20V Black Pearl
- Wohnort: BS
Re: Dämpfung Schaumstoff Kotflügel links
15B ist korrekt.
Grüße
Klaus
KlimaKliniK*
Ich habe nun meine Dienste aufgrund mangelnder Nachfrage, eingestellt. 26.09.24
Vielen lieben dank für das, über die langen Jahre, entgegengebrachte Vertrauen.
Besonderer Gruß an alle die ich zufrieden stellen konnte.
Klaus
KlimaKliniK*
Ich habe nun meine Dienste aufgrund mangelnder Nachfrage, eingestellt. 26.09.24
Vielen lieben dank für das, über die langen Jahre, entgegengebrachte Vertrauen.
Besonderer Gruß an alle die ich zufrieden stellen konnte.
- Bommel220VAvant
- Entwickler
- Beiträge: 536
- Registriert: 27.07.2007, 20:15
- Wohnort: Zwischen Harz und Heide
Re: Dämpfung Schaumstoff Kotflügel links
Hallo zusammen,
15A & 15B wären hilfreich, wobei mir sicher 15B ausreichen würde.
Mir geht es in erster Linie um die Geräuschdämmung. wenn ich mit dem Auto fahre, dann hört sich das so an, als wäre die Tür nicht richtig zu
Ich könnte ggf. auch schwarze Dämmatte reinstecken, aber original wäre schon schön.
Beste Grüße Bommel
15A & 15B wären hilfreich, wobei mir sicher 15B ausreichen würde.
Mir geht es in erster Linie um die Geräuschdämmung. wenn ich mit dem Auto fahre, dann hört sich das so an, als wäre die Tür nicht richtig zu
Ich könnte ggf. auch schwarze Dämmatte reinstecken, aber original wäre schon schön.
Beste Grüße Bommel
Probleme ? Wenn ich morgen aufwache und mein Kopf wäre am Teppich festgenäht, dass wären Probleme 
Re: Dämpfung Schaumstoff Kotflügel links
Also ich behaupte einfach mal dass es im Gegensatz zu 15 die Teile 15A und 15B gar nicht gibt.
1990er Audi 100 Avant quattro "Sport" 2.3 E NF/AAT/AML/LY3D/834/NX Modell 445-PH5-WA5 (Aktion S711, Sport II)
Re: Dämpfung Schaumstoff Kotflügel links
Edit: oben in der Ecke zur A-Säule ist bei meinen definitiv kein schwarzes Schaumstoffteil, welches hier im Foto fehlt.
ob es 15A und 15B gibt, sieht man doch, wenn man die Tür öffnet…
Edit: Beim Vfl Audi 100 gibt es nur das aus auf dem Foto abgebildete Formstück - zur A-Säule hin ist weder 15A noch 15B.
Gruß Stefan
ob es 15A und 15B gibt, sieht man doch, wenn man die Tür öffnet…
Edit: Beim Vfl Audi 100 gibt es nur das aus auf dem Foto abgebildete Formstück - zur A-Säule hin ist weder 15A noch 15B.
Gruß Stefan
Zuletzt geändert von StefanS am 15.12.2024, 17:09, insgesamt 1-mal geändert.
Audi 100 T44 10/1987 titianrotmet 545.545km (Zwischenmodell) 2,2E 116PS
Audi 100 T44 03/1987 saphirblaumet 92.000km (Vorfacemodell) 2,2E 116PS
Audi Cabrio 08/1992 indigoperleffekt 166000km 2,3E 133PS
Audi 100 C4 04/1994 Kristallsilber 252.000km 2,3E 133PS
Audi A3 8P 06/2007 Moroblauperleffekt 160.000km 1,6 102PS
Audi 100 T44 03/1987 saphirblaumet 92.000km (Vorfacemodell) 2,2E 116PS
Audi Cabrio 08/1992 indigoperleffekt 166000km 2,3E 133PS
Audi 100 C4 04/1994 Kristallsilber 252.000km 2,3E 133PS
Audi A3 8P 06/2007 Moroblauperleffekt 160.000km 1,6 102PS
- kpt.-Como
- Abteilungsleiter
- Beiträge: 7157
- Registriert: 10.11.2004, 13:33
- Fuhrpark: S 60 R 2,5T 20V Black Pearl
- Wohnort: BS
Re: Dämpfung Schaumstoff Kotflügel links
Diese Behauptung ist schlicht und einfach falsch.
Grüße
Klaus
KlimaKliniK*
Ich habe nun meine Dienste aufgrund mangelnder Nachfrage, eingestellt. 26.09.24
Vielen lieben dank für das, über die langen Jahre, entgegengebrachte Vertrauen.
Besonderer Gruß an alle die ich zufrieden stellen konnte.
Klaus
KlimaKliniK*
Ich habe nun meine Dienste aufgrund mangelnder Nachfrage, eingestellt. 26.09.24
Vielen lieben dank für das, über die langen Jahre, entgegengebrachte Vertrauen.
Besonderer Gruß an alle die ich zufrieden stellen konnte.
- Bommel220VAvant
- Entwickler
- Beiträge: 536
- Registriert: 27.07.2007, 20:15
- Wohnort: Zwischen Harz und Heide
Re: Dämpfung Schaumstoff Kotflügel links
Hi, ich bin mir halt auch unsicher,
bei meinem Audi, kann man halt, so wie auf dem Bild voll in den Kotflügel rein schauen… wüsste aber nicht, das schon mal der Kotflügel abgebaut wurde. Beifahrer Seite ist ein schönes Dämmteil verbaut worden.
Gruß Bommel
bei meinem Audi, kann man halt, so wie auf dem Bild voll in den Kotflügel rein schauen… wüsste aber nicht, das schon mal der Kotflügel abgebaut wurde. Beifahrer Seite ist ein schönes Dämmteil verbaut worden.
Gruß Bommel
- Dateianhänge
-
- IMG_2754.jpeg (1.53 MiB) 3832 mal betrachtet
Probleme ? Wenn ich morgen aufwache und mein Kopf wäre am Teppich festgenäht, dass wären Probleme 
Re: Dämpfung Schaumstoff Kotflügel links
Habe meinen Beitrag oben editiert!
Oben in der Ecke zur A-Säule ist bei meinen definitiv kein schwarzes Schaumstoffteil, welches hier im Foto fehlt.
Das Teil welches ich im Sinn hatte ist im Türrahmen verbaut.
Beim Vfl Audi 100 gibt es nur das aus auf dem Foto abgebildete Formstück.
Zur A-Säule hin ist weder 15A noch 15B.
Gruß Stefan
Oben in der Ecke zur A-Säule ist bei meinen definitiv kein schwarzes Schaumstoffteil, welches hier im Foto fehlt.
Das Teil welches ich im Sinn hatte ist im Türrahmen verbaut.
Beim Vfl Audi 100 gibt es nur das aus auf dem Foto abgebildete Formstück.
Zur A-Säule hin ist weder 15A noch 15B.
Gruß Stefan
Audi 100 T44 10/1987 titianrotmet 545.545km (Zwischenmodell) 2,2E 116PS
Audi 100 T44 03/1987 saphirblaumet 92.000km (Vorfacemodell) 2,2E 116PS
Audi Cabrio 08/1992 indigoperleffekt 166000km 2,3E 133PS
Audi 100 C4 04/1994 Kristallsilber 252.000km 2,3E 133PS
Audi A3 8P 06/2007 Moroblauperleffekt 160.000km 1,6 102PS
Audi 100 T44 03/1987 saphirblaumet 92.000km (Vorfacemodell) 2,2E 116PS
Audi Cabrio 08/1992 indigoperleffekt 166000km 2,3E 133PS
Audi 100 C4 04/1994 Kristallsilber 252.000km 2,3E 133PS
Audi A3 8P 06/2007 Moroblauperleffekt 160.000km 1,6 102PS
-
Boris Ivanitsch
- Testfahrer

- Beiträge: 373
- Registriert: 24.02.2009, 22:49
- Wohnort: Werdau
Re: Dämpfung Schaumstoff Kotflügel links
Als ich die Kotflügel an meinem 20V instandgesetzt habe, fand ich auf der Fahrer- und Beifahrerseite identische Schaumstoffteile.
Richtig passend waren die aber nur auf der Beifahrerseite. Das auf der Fahrerseite wirkte einfach "zurechtgequetscht".
Ob das "von Werk aus" so gedacht war oder da schonmal jemand dran war und ebenfalls mangels des richtigen Teils improvisiert hat, kann ich leider nicht sagen.
Richtig passend waren die aber nur auf der Beifahrerseite. Das auf der Fahrerseite wirkte einfach "zurechtgequetscht".
Ob das "von Werk aus" so gedacht war oder da schonmal jemand dran war und ebenfalls mangels des richtigen Teils improvisiert hat, kann ich leider nicht sagen.
- Jens 220V-Abt-Avant
- Moderator

- Beiträge: 7334
- Registriert: 05.11.2004, 19:40
- Fuhrpark: soll ich da jetzt etwa alle...?
- Wohnort: 73312 NDSK
Re: Dämpfung Schaumstoff Kotflügel links
Moin,
15A+B findet man generell bei 200 20V und V8 (hier in leicht abgeänderter Form unten) - ob die Teile ab Werk in anderen 44ern verbaut waren (TDI vielleicht?), kann ich nicht sagen.
Grüße
Jens
15A+B findet man generell bei 200 20V und V8 (hier in leicht abgeänderter Form unten) - ob die Teile ab Werk in anderen 44ern verbaut waren (TDI vielleicht?), kann ich nicht sagen.
Grüße
Jens
Life sucks!
...then you die!
...then you die!
- 1TTDI
- Entwicklungsleiter
- Beiträge: 1769
- Registriert: 25.06.2005, 11:38
- Fuhrpark: Audi 100 TDI Sport EZ 12/90, lago , 810000km
Audi 100 TDI Avant EZ 08/90, nautic, 180000km - Wohnort: Kreis Kleve
Re: Dämpfung Schaumstoff Kotflügel links
Der TDI hats definitiv beidseitig. Alles von 15 bis 15b.
Hier auf der Fahrerseite.
Hier auf der Fahrerseite.
- Steve44
- Testfahrer

- Beiträge: 409
- Registriert: 05.05.2024, 13:13
- Fuhrpark: Audi 200q Turbo 20V (3B), MJ 1990
Audi Cabriolet 2.8 V6 (AAH), MJ 2000
Honda Africa Twin 650
Nicht mehr im Stall:
Audi 100 2.8 MJ 1993
Audi A8 D2 2.5 TDI MJ 2001
Audi A8 D3 4.2 V8 MJ 2006
Audi A4 Cabrio 2.0 MJ 2007
Audi Cabriolet 2.3 (NG) MJ 1992 - Wohnort: Zentral Schweiz
Re: Dämpfung Schaumstoff Kotflügel links
The mystery continues...
Die beide Kotflügel meiner 20V wurde noch nie ausgebaut (dann müsste es spuren wie Kratzer etc. auf Schrauben/Mutter geben).
Ich habe an der Fahrerseite nichts drinne. Man schaut direkt gegen der Rückseite vom Radhausabdeckung.
Nur der Beifahrerseite hat die 15A und 15B Teile:
Die beide Kotflügel meiner 20V wurde noch nie ausgebaut (dann müsste es spuren wie Kratzer etc. auf Schrauben/Mutter geben).
Ich habe an der Fahrerseite nichts drinne. Man schaut direkt gegen der Rückseite vom Radhausabdeckung.
Nur der Beifahrerseite hat die 15A und 15B Teile:
I‘m not poor, I‘m pre-rich.
Audi 200 quattro Turbo 20V (MJ1990) / Audi Cabriolet 2.8 V6 (MJ2000)
(Deutsch ist nicht meine Muttersprache)
Biete: VAG-COM / VCDS (full version) Services in die Schweiz (OBD & OBD2 Fehlercodes auslesen etc.).
Audi 200 quattro Turbo 20V (MJ1990) / Audi Cabriolet 2.8 V6 (MJ2000)
(Deutsch ist nicht meine Muttersprache)
Biete: VAG-COM / VCDS (full version) Services in die Schweiz (OBD & OBD2 Fehlercodes auslesen etc.).
Re: Dämpfung Schaumstoff Kotflügel links
Danke. Endlich (belastbare) Beweise für die Existenz dieser Teile.
1990er Audi 100 Avant quattro "Sport" 2.3 E NF/AAT/AML/LY3D/834/NX Modell 445-PH5-WA5 (Aktion S711, Sport II)
- Bommel220VAvant
- Entwickler
- Beiträge: 536
- Registriert: 27.07.2007, 20:15
- Wohnort: Zwischen Harz und Heide
Re: Dämpfung Schaumstoff Kotflügel links
… ja aber nur für die Beifahrerseite beim 220v, ich hatte ja nach der Fahrerseite gefragt. Aber schön das es beim TDI drin ist !!
Da ist er wahrscheinlich auch dringend nötig sein.
Da ist ja bei mir auch nix drinn
1. hört man das
2. musste ich mir anhören, na da fehlt ja die Dämmung, bestimmt Unfall / ist bestimmt nicht richtig gemacht worden…
Aber bei meinem ist auch nix zu sehen Original Lack, alle Schrauben ohne Kratzer etc.
Dank Dir, evtl überlege ich mir mal eine passende Schalldämmung
Besinnliche Adventszeit
Da ist er wahrscheinlich auch dringend nötig sein.
Da ist ja bei mir auch nix drinn
1. hört man das
2. musste ich mir anhören, na da fehlt ja die Dämmung, bestimmt Unfall / ist bestimmt nicht richtig gemacht worden…
Aber bei meinem ist auch nix zu sehen Original Lack, alle Schrauben ohne Kratzer etc.
Dank Dir, evtl überlege ich mir mal eine passende Schalldämmung
Besinnliche Adventszeit
Zuletzt geändert von Bommel220VAvant am 18.12.2024, 09:57, insgesamt 1-mal geändert.
Probleme ? Wenn ich morgen aufwache und mein Kopf wäre am Teppich festgenäht, dass wären Probleme 
- Steve44
- Testfahrer

- Beiträge: 409
- Registriert: 05.05.2024, 13:13
- Fuhrpark: Audi 200q Turbo 20V (3B), MJ 1990
Audi Cabriolet 2.8 V6 (AAH), MJ 2000
Honda Africa Twin 650
Nicht mehr im Stall:
Audi 100 2.8 MJ 1993
Audi A8 D2 2.5 TDI MJ 2001
Audi A8 D3 4.2 V8 MJ 2006
Audi A4 Cabrio 2.0 MJ 2007
Audi Cabriolet 2.3 (NG) MJ 1992 - Wohnort: Zentral Schweiz
Re: Dämpfung Schaumstoff Kotflügel links
Ich frage mich jetzt ab, ob der fehlende Dämmung an der Fahrerseite in mein Wagen, vielleicht der Quelle ist vom Pfeifen/Windgeräusch was ich immer an der linker Seite höre auf der AutobahnBommel220VAvant hat geschrieben: ↑18.12.2024, 08:47 1. hört man das
2. musste ich mir anhören, na da fehlt ja die Dämmung, bestimmt Unfall / ist bestimmt nicht richtig gemacht worden…
Ich habe bisher immer gedacht "etwas mit der Fahrer-Aussenspiegel oder A-Säule oder der Wind-Spoiler am Scheibenwischerstange". Habe es nie orten können bisher...
I‘m not poor, I‘m pre-rich.
Audi 200 quattro Turbo 20V (MJ1990) / Audi Cabriolet 2.8 V6 (MJ2000)
(Deutsch ist nicht meine Muttersprache)
Biete: VAG-COM / VCDS (full version) Services in die Schweiz (OBD & OBD2 Fehlercodes auslesen etc.).
Audi 200 quattro Turbo 20V (MJ1990) / Audi Cabriolet 2.8 V6 (MJ2000)
(Deutsch ist nicht meine Muttersprache)
Biete: VAG-COM / VCDS (full version) Services in die Schweiz (OBD & OBD2 Fehlercodes auslesen etc.).
- Poldy
- Entwickler
- Beiträge: 565
- Registriert: 18.06.2011, 12:13
- Fuhrpark: Zu viele Autos, zu viele Fahrräder, zu viele Motorräder und viel zu wenig Platz
- Wohnort: 23795 Bad Segeberg
Re: Dämpfung Schaumstoff Kotflügel links
Moin,
Gruß
Poldy
Schau mal, ob von der Türverkleidung die kleinen Gummilappen abgebrochen sind. Die sitzen normalerweise dort wo die Türverkleidung mit dem Fensterrahmen verschraubt wird.Ich frage mich jetzt ab, ob der fehlende Dämmung an der Fahrerseite in mein Wagen, vielleicht der Quelle ist vom Pfeifen/Windgeräusch was ich immer an der linker Seite höre auf der Autobahn
Gruß
Poldy
Mein Fuhrpark………
Audi 200 Quattro 20V Avant in Nauticblau-Perleffekt-Metallic Bj 90
Audi 200 Quattro 10V Avant Lago-Metallic Motronic, RS2 Step Bj 88
Audi 100 C4 Limo AAR Motronic, Altagsautos (im Wiederaufbau)
Audi S6 C4 Quattro Avant 20V Turbo Tornado Rot Sorgenkind Bj 95
...
Audi 200 Quattro 20V Avant in Nauticblau-Perleffekt-Metallic Bj 90
Audi 200 Quattro 10V Avant Lago-Metallic Motronic, RS2 Step Bj 88
Audi 100 C4 Limo AAR Motronic, Altagsautos (im Wiederaufbau)
Audi S6 C4 Quattro Avant 20V Turbo Tornado Rot Sorgenkind Bj 95
...
- Steve44
- Testfahrer

- Beiträge: 409
- Registriert: 05.05.2024, 13:13
- Fuhrpark: Audi 200q Turbo 20V (3B), MJ 1990
Audi Cabriolet 2.8 V6 (AAH), MJ 2000
Honda Africa Twin 650
Nicht mehr im Stall:
Audi 100 2.8 MJ 1993
Audi A8 D2 2.5 TDI MJ 2001
Audi A8 D3 4.2 V8 MJ 2006
Audi A4 Cabrio 2.0 MJ 2007
Audi Cabriolet 2.3 (NG) MJ 1992 - Wohnort: Zentral Schweiz
Re: Dämpfung Schaumstoff Kotflügel links
Bin ich hier am richtigen Ort, oder voll daneben?
I‘m not poor, I‘m pre-rich.
Audi 200 quattro Turbo 20V (MJ1990) / Audi Cabriolet 2.8 V6 (MJ2000)
(Deutsch ist nicht meine Muttersprache)
Biete: VAG-COM / VCDS (full version) Services in die Schweiz (OBD & OBD2 Fehlercodes auslesen etc.).
Audi 200 quattro Turbo 20V (MJ1990) / Audi Cabriolet 2.8 V6 (MJ2000)
(Deutsch ist nicht meine Muttersprache)
Biete: VAG-COM / VCDS (full version) Services in die Schweiz (OBD & OBD2 Fehlercodes auslesen etc.).
- Poldy
- Entwickler
- Beiträge: 565
- Registriert: 18.06.2011, 12:13
- Fuhrpark: Zu viele Autos, zu viele Fahrräder, zu viele Motorräder und viel zu wenig Platz
- Wohnort: 23795 Bad Segeberg
Re: Dämpfung Schaumstoff Kotflügel links
Ja genau, dort auf dem Bild über der Schraube in der Türverkleidung. Ca 1,5 x 3 cm groß ist der. Der Gummilappen muss auf beiden Seiten vorhanden sein, also an der Scharnierseite und der Schlossseite jeder Tür.
Mein Fuhrpark………
Audi 200 Quattro 20V Avant in Nauticblau-Perleffekt-Metallic Bj 90
Audi 200 Quattro 10V Avant Lago-Metallic Motronic, RS2 Step Bj 88
Audi 100 C4 Limo AAR Motronic, Altagsautos (im Wiederaufbau)
Audi S6 C4 Quattro Avant 20V Turbo Tornado Rot Sorgenkind Bj 95
...
Audi 200 Quattro 20V Avant in Nauticblau-Perleffekt-Metallic Bj 90
Audi 200 Quattro 10V Avant Lago-Metallic Motronic, RS2 Step Bj 88
Audi 100 C4 Limo AAR Motronic, Altagsautos (im Wiederaufbau)
Audi S6 C4 Quattro Avant 20V Turbo Tornado Rot Sorgenkind Bj 95
...
- Steve44
- Testfahrer

- Beiträge: 409
- Registriert: 05.05.2024, 13:13
- Fuhrpark: Audi 200q Turbo 20V (3B), MJ 1990
Audi Cabriolet 2.8 V6 (AAH), MJ 2000
Honda Africa Twin 650
Nicht mehr im Stall:
Audi 100 2.8 MJ 1993
Audi A8 D2 2.5 TDI MJ 2001
Audi A8 D3 4.2 V8 MJ 2006
Audi A4 Cabrio 2.0 MJ 2007
Audi Cabriolet 2.3 (NG) MJ 1992 - Wohnort: Zentral Schweiz
Re: Dämpfung Schaumstoff Kotflügel links
Darf ich fragen, hast Du oder jemanden anders vielleicht ein gutes Bild von das Teil ?
In AKTE fand ich dieser Bildtafel: Ist es vielleicht der Nummer 27 ?
Es steht man muss Nr 27 zusammen basteln aus "Audi Sealing Strip 443837835"
I‘m not poor, I‘m pre-rich.
Audi 200 quattro Turbo 20V (MJ1990) / Audi Cabriolet 2.8 V6 (MJ2000)
(Deutsch ist nicht meine Muttersprache)
Biete: VAG-COM / VCDS (full version) Services in die Schweiz (OBD & OBD2 Fehlercodes auslesen etc.).
Audi 200 quattro Turbo 20V (MJ1990) / Audi Cabriolet 2.8 V6 (MJ2000)
(Deutsch ist nicht meine Muttersprache)
Biete: VAG-COM / VCDS (full version) Services in die Schweiz (OBD & OBD2 Fehlercodes auslesen etc.).
- Steve44
- Testfahrer

- Beiträge: 409
- Registriert: 05.05.2024, 13:13
- Fuhrpark: Audi 200q Turbo 20V (3B), MJ 1990
Audi Cabriolet 2.8 V6 (AAH), MJ 2000
Honda Africa Twin 650
Nicht mehr im Stall:
Audi 100 2.8 MJ 1993
Audi A8 D2 2.5 TDI MJ 2001
Audi A8 D3 4.2 V8 MJ 2006
Audi A4 Cabrio 2.0 MJ 2007
Audi Cabriolet 2.3 (NG) MJ 1992 - Wohnort: Zentral Schweiz
Re: Dämpfung Schaumstoff Kotflügel links
Hallo Poldy,
Dies sind der linker und rechter Seite meines Auto. Sie sind gleich und es sieht nicht aus als ob da was fehlt, abgerissen ist oder was auch immer.
Hat jemand vielleicht ein Foto von wie es bei dein Wagen aussieht? bzw. was bei mir dann fehlt?
I‘m not poor, I‘m pre-rich.
Audi 200 quattro Turbo 20V (MJ1990) / Audi Cabriolet 2.8 V6 (MJ2000)
(Deutsch ist nicht meine Muttersprache)
Biete: VAG-COM / VCDS (full version) Services in die Schweiz (OBD & OBD2 Fehlercodes auslesen etc.).
Audi 200 quattro Turbo 20V (MJ1990) / Audi Cabriolet 2.8 V6 (MJ2000)
(Deutsch ist nicht meine Muttersprache)
Biete: VAG-COM / VCDS (full version) Services in die Schweiz (OBD & OBD2 Fehlercodes auslesen etc.).
- Jens 220V-Abt-Avant
- Moderator

- Beiträge: 7334
- Registriert: 05.11.2004, 19:40
- Fuhrpark: soll ich da jetzt etwa alle...?
- Wohnort: 73312 NDSK
Re: Dämpfung Schaumstoff Kotflügel links
Sallut Steve,
das Teil hier:
...fehlt bei Deinem auf der linken Seite, da kannst Du direkt auf den Unterdruckspeicher schauen (das blaue Kugel-Trio)
Grüßle
Jens
das Teil hier:
...fehlt bei Deinem auf der linken Seite, da kannst Du direkt auf den Unterdruckspeicher schauen (das blaue Kugel-Trio)
Grüßle
Jens
Life sucks!
...then you die!
...then you die!
- Steve44
- Testfahrer

- Beiträge: 409
- Registriert: 05.05.2024, 13:13
- Fuhrpark: Audi 200q Turbo 20V (3B), MJ 1990
Audi Cabriolet 2.8 V6 (AAH), MJ 2000
Honda Africa Twin 650
Nicht mehr im Stall:
Audi 100 2.8 MJ 1993
Audi A8 D2 2.5 TDI MJ 2001
Audi A8 D3 4.2 V8 MJ 2006
Audi A4 Cabrio 2.0 MJ 2007
Audi Cabriolet 2.3 (NG) MJ 1992 - Wohnort: Zentral Schweiz
Re: Dämpfung Schaumstoff Kotflügel links
Hallo Jens,
Ja das stimmt. Das schrieb ich auch in mein Post von 17.12.2024, 20:59. Auch anderen schrieben das ihr Auto's ab Werk diese Dichtung nicht haben denn auch an ihre Auto's wurde den linken Kotflügel nie abmontiert.
Ich hatte den Eindruck das Poldi auf etwas kleineres, was an der Tür befestigt sein sollte, hinwies.
Ja das stimmt. Das schrieb ich auch in mein Post von 17.12.2024, 20:59. Auch anderen schrieben das ihr Auto's ab Werk diese Dichtung nicht haben denn auch an ihre Auto's wurde den linken Kotflügel nie abmontiert.
Ich hatte den Eindruck das Poldi auf etwas kleineres, was an der Tür befestigt sein sollte, hinwies.
I‘m not poor, I‘m pre-rich.
Audi 200 quattro Turbo 20V (MJ1990) / Audi Cabriolet 2.8 V6 (MJ2000)
(Deutsch ist nicht meine Muttersprache)
Biete: VAG-COM / VCDS (full version) Services in die Schweiz (OBD & OBD2 Fehlercodes auslesen etc.).
Audi 200 quattro Turbo 20V (MJ1990) / Audi Cabriolet 2.8 V6 (MJ2000)
(Deutsch ist nicht meine Muttersprache)
Biete: VAG-COM / VCDS (full version) Services in die Schweiz (OBD & OBD2 Fehlercodes auslesen etc.).
Re: Dämpfung Schaumstoff Kotflügel links
Hi,
also bei meinem roten 20v ist auf der Fahrerseite im Gegensatz zur Beifahrerseite auch keine Dämmung verbaut. Kann demnächst bei Gelegenheit auch mal an meinem anderen (ex) 20v nach sehen. Da war der Kotflügel auch noch nie demontiert.
Gruß Jan
also bei meinem roten 20v ist auf der Fahrerseite im Gegensatz zur Beifahrerseite auch keine Dämmung verbaut. Kann demnächst bei Gelegenheit auch mal an meinem anderen (ex) 20v nach sehen. Da war der Kotflügel auch noch nie demontiert.
Gruß Jan
- Bommel220VAvant
- Entwickler
- Beiträge: 536
- Registriert: 27.07.2007, 20:15
- Wohnort: Zwischen Harz und Heide
Re: Dämpfung Schaumstoff Kotflügel links
Steve44 hat geschrieben: ↑10.01.2025, 09:59 Hallo Jens,
Ja das stimmt. Das schrieb ich auch in mein Post von 17.12.2024, 20:59. Auch anderen schrieben das ihr Auto's ab Werk diese Dichtung nicht haben denn auch an ihre Auto's wurde den linken Kotflügel nie abmontiert.
Ich hatte den Eindruck das Poldi auf etwas kleineres, was an der Tür befestigt sein sollte, hinwies.
Hallo Steve, Poldy meinte die kleine Gummi Dichtung, die bei Dir aber noch dran ist, wenn die Türpappen mehrfach abgenommen sind, fehlen die gerne mal links und rechts.
- Dateianhänge
-
- IMG_2935.jpeg (1.44 MiB) 3153 mal betrachtet
Probleme ? Wenn ich morgen aufwache und mein Kopf wäre am Teppich festgenäht, dass wären Probleme 
- Steve44
- Testfahrer

- Beiträge: 409
- Registriert: 05.05.2024, 13:13
- Fuhrpark: Audi 200q Turbo 20V (3B), MJ 1990
Audi Cabriolet 2.8 V6 (AAH), MJ 2000
Honda Africa Twin 650
Nicht mehr im Stall:
Audi 100 2.8 MJ 1993
Audi A8 D2 2.5 TDI MJ 2001
Audi A8 D3 4.2 V8 MJ 2006
Audi A4 Cabrio 2.0 MJ 2007
Audi Cabriolet 2.3 (NG) MJ 1992 - Wohnort: Zentral Schweiz
Re: Dämpfung Schaumstoff Kotflügel links
Danke Bommel 
I‘m not poor, I‘m pre-rich.
Audi 200 quattro Turbo 20V (MJ1990) / Audi Cabriolet 2.8 V6 (MJ2000)
(Deutsch ist nicht meine Muttersprache)
Biete: VAG-COM / VCDS (full version) Services in die Schweiz (OBD & OBD2 Fehlercodes auslesen etc.).
Audi 200 quattro Turbo 20V (MJ1990) / Audi Cabriolet 2.8 V6 (MJ2000)
(Deutsch ist nicht meine Muttersprache)
Biete: VAG-COM / VCDS (full version) Services in die Schweiz (OBD & OBD2 Fehlercodes auslesen etc.).